問1
次の文章は,タービン発電機の水素冷却方式の特徴に関する記述である。
水素ガスは,空気に比べ(ア)が大きいため冷却効率が高く,また,空気に比べ(イ)が小さいため風損が小さい。
水素ガスは,(ウ)であるため,絶縁物への劣化影響が少ない。水素ガス圧力を高めると大気圧の空気よりコロナ放電が生じ難くなる。
通常運転中は,発電機内の水素ガスが軸に沿って機外に漏れないように軸受の内側に(オ)によるシール機能を備えており,機内からの水素ガスの漏れを防いでいる。
上記の記述中の空白箇所(ア),(イ),(ウ),(エ)及び(オ)に当てはまる組合せとして,正しいものを次の(1)~(5)のうちから一つ選べ。
| (ア) | (イ) | (ウ) | (エ) | (オ) | |
|---|---|---|---|---|---|
| 1 | 比熱 | 比重 | 活性 | 90% | 窒素ガス |
| 2 | 比熱 | 比重 | 活性 | 60% | 窒素ガス |
| 3 | 比熱 | 比重 | 不活性 | 90% | 油膜 |
| 4 | 比重 | 比熱 | 活性 | 60% | 油膜 |
| 5 | 比重 | 比熱 | 不活性 | 90% | 窒素ガス |
- 解答
問2
次の文章は,水車の比速度に関する記述である。
比速度とは,任意の水車の形(幾何学的形状)と運転状態(水車内の流れの状態)とを(ア)変えたとき,(イ)で単位出力(1kW)を発生させる仮想水車の回転速度のことである。
水車では,ランナの形や特性を表すものとしてこの比速度が用いられ,水車の(ウ)ごとに適切な比速度の範囲が存在する。
水車の回転速度をn[min⁻¹],有効落差をH[m],ランナ1個当たり又はノズル1個当たりの出力をP[kW]とすれば,この水車の比速度nsは,次の式で表される。
通常,ペルトン水車の比速度は,フランシス水車の比速度より(エ)。
比速度の大きな水車を大きな落差で使用し,吸出し管を用いると,放水速度が大きくなって,(オ)やすくなる。そのため,各水車には,その比速度に適した有効落差が決められている。
上記の記述中の空白箇所(ア),(イ),(ウ),(エ)及び(オ)に当てはまる組合せとして,正しいものを次の(1)~(5)のうちから一つ選べ。
| (ア) | (イ) | (ウ) | (エ) | (オ) | |
|---|---|---|---|---|---|
| 1 | 一定に保って有効落差を | 単位流量(1m³/s) | 出力 | 大きい | 高い効率を得 |
| 2 | 一定に保って有効落差を | 単位落差(1m) | 種類 | 大きい | キャビテーションが生じ |
| 3 | 相似に保って大きさを | 単位流量(1m³/s) | 出力 | 大きい | 高い効率を得 |
| 4 | 相似に保って大きさを | 単位落差(1m) | 種類 | 小さい | キャビテーションが生じ |
| 5 | 相似に保って大きさを | 単位流量(1m³/s) | 出力 | 小さい | 高い効率を得 |
- 解答
問3
汽力発電所の蒸気タービン設備に関する記述として,誤っているものを次の(1)~(5)のうちから一つ選べ。
- 衝動タービンは,蒸気が回転羽根(動翼)に衝突するときに生じる力によって回転させるタービンである。
- 調速装置は,蒸気加減弁駆動装置に信号を送り,蒸気流量を調整することで,タービンの回転速度制御を行う装置である。
- ターニング装置は,タービン停止中に高温のロータが曲がることを防止するため,ロータを低速で回転させる装置である。
- 反動タービンは,固定羽根(静翼)で蒸気を膨張させ,回転羽根(動翼)に衝突する力と回転羽根(動翼)から排気するときの力を利用して回転させるタービンである。
- 非常調速装置は,タービンの回転速度が運転中に定格回転速度以下となり,一定値以下まで下降すると作動して,タービンを停止させる装置である。
- 解答
問4
次の文章は,我が国の原子力発電所の蒸気タービンの特徴に関する記述である。
原子力発電所の蒸気タービンは,高圧タービンと低圧タービンから構成され,くし形に配置されている。
原子力発電所においては,原子炉又は蒸気発生器によって発生した蒸気が高圧タービンに送られ,高圧タービンにて所定の仕事を行った排気は,(ア)分離器に送られて,排気に含まれる(ア)を除去した後に低圧タービンに送られる。
高圧タービンの入口蒸気は,(イ)であるため,火力発電所の高圧タービンの入口蒸気に比べて,圧力・温度ともに(ウ),そのため,原子力発電所の熱効率は,火力発電所と比べて(ウ)なる。また,原子力発電所の高圧タービンに送られる蒸気量は,同じ出力に対する火力発電所と比べて(エ)。
低圧タービンの最終段翼は,35~54インチ(約89cm~137cm)の長大な翼を使用し, (ア)による翼の浸食を防ぐため翼先端周速度を減らさなければならないので,タービンの回転速度は(オ)としている。
上記の記述中の空白箇所(ア),(イ),(ウ),(エ)及び(オ)に当てはまる組合せとして,正しいものを次の(1)~(5)のうちから一つ選べ。
| (ア) | (イ) | (ウ) | (エ) | (オ) | |
|---|---|---|---|---|---|
| 1 | 空気 | 過熱蒸気 | 高く | 多い | 1500min⁻¹又は1800min⁻¹ |
| 2 | 湿分 | 飽和蒸気 | 低く | 多い | 1500min⁻¹又は1800min⁻¹ |
| 3 | 空気 | 飽和蒸気 | 低く | 多い | 750min⁻¹又は900min⁻¹ |
| 4 | 湿分 | 飽和蒸気 | 高く | 少ない | 750min⁻¹又は900min⁻¹ |
| 5 | 空気 | 過熱蒸気 | 高く | 少ない | 750min⁻¹又は900min⁻¹ |
- 解答
問5
ロータ半径が30mの風車がある。風車が受ける風速が10m/sで,風車のパワー係数が50%のとき,風車のロータ軸出力[kW]に最も近いものを次の(1)~(5)のうちから一つ選べ。
ただし,空気の密度を1.2kg/m³とする。ここでパワー係数とは,単位時間当たりにロータを通過する風のエネルギーのうちで,風車が風から取り出せるエネルギーの割合である。
- 57
- 85
- 710
- 850
- 1700
- 解答
問6
次の文章は,保護リレーに関する記述である。
電力系統において,短絡事故や地絡事故が発生した場合,事故区間は速やかに系統から切り離される。このとき,保護リレーで異常を検出し,(ア)を動作させる。架空送電線は特に距離が長く,事故発生件数も多い。架空送電線の事故の多くは(イ)による気中フラッシオーバに起因するため,事故区間を高速に遮断し,フラッシオーバを消滅させれば,絶縁は回復し,架空送電線は通電可能な状態となる。このため,事故区間の遮断の後,一定時間(長くて1分程度)を経て,(ウ)が行われる。一般に,主保護の異常に備え,(エ)保護が用意されており,動作の確実性を期している。
上記の記述中の空白箇所(ア),(イ),(ウ)及び(エ)に当てはまる組合せとして,正しいものを次の(1)~(5)のうちから一つ選べ。
| (ア) | (イ) | (ウ) | (エ) | |
|---|---|---|---|---|
| 1 | 遮断器 | 落雷 | 保守 | 常備 |
| 2 | 断路器 | 落雪 | 再閉路 | 常備 |
| 3 | 変圧器 | 落雷 | 点検 | 後備 |
| 4 | 断路器 | 落雪 | 点検 | 後備 |
| 5 | 遮断器 | 落雷 | 再閉路 | 後備 |
- 解答
問7
変圧器の保全・診断に関する記述として,誤っているものを次の(1)~(5)のうちから一つ選べ。
- 変圧器の予防保全は,運転の維持と事故の防止を目的としている。
- 油入変圧器の絶縁油の油中ガス分析は内部異常診断に用いられる。
- 部分放電は,絶縁破壊が生じる前ぶれである場合が多いため,異常診断技術として,部分放電測定が用いられることがある。
- 変圧器巻線の絶縁抵抗測定と誘電正接測定は,鉄心材料の経年劣化を把握することを主な目的として実施される。
- ガスケットの経年劣化に伴う漏油の検出には,目視点検に加え,油面計が活用される。
- 解答
問8
図のように,単相の変圧器3台を一次側,二次側ともにΔ結線し,三相対称電源とみなせる配電系統に接続した。
変圧器の一次側の定格電圧は6600V,二次側の定格電圧は210Vである。二次側に三相平衡負荷を接続したときに,一次側の線電流20A,二次側の線間電圧200Vであった。負荷に供給されている電力[kW]として,最も近いものを次の(1)~(5)のうちから一つ選べ。
ただし,負荷の力率は0.8とする。なお,変圧器は理想変圧器とみなすことができ,線路のインピーダンスは無視することができる。
- 58
- 101
- 174
- 218
- 302
- 解答
問9
次の文章は,架空送電線の多導体方式に関する記述である。
送電線において,1相に複数の電線を(ア)を用いて適度な間隔に配置したものを多導体と呼び,主に超高圧以上の送電線に用いられる。多導体を用いることで,電線表面の電位の傾きが(イ)なるので,コロナ開始電圧が(ウ)なり,送電線のコロナ損失,雑音障害を抑制することができる。
多導体は合計断面積が等しい単導体と比較すると,表皮効果が(エ)。また,送電線の(オ)が減少するため,送電容量が増加し系統安定度の向上につながる。
上記の記述中の空白箇所(ア),(イ),(ウ),(エ)及び(オ)に当てはまる組合せとして,正しいものを次の(1)~(5)のうちから一つ選べ。
| (ア) | (イ) | (ウ) | (エ) | (オ) | |
|---|---|---|---|---|---|
| 1 | スペーサ | 大きく | 低く | 大きい | インダクタンス |
| 2 | スペーサ | 小さく | 高く | 小さい | 静電容量 |
| 3 | シールドリング | 大きく | 高く | 大きい | インダクタンス |
| 4 | スペーサ | 小さく | 高く | 小さい | インダクタンス |
| 5 | シールドリング | 小さく | 低く | 大きい | 静電容量 |
- 解答
問10
送配電系統における過電圧の特徴に関する記述として,誤っているものを次の(1)~(5)のうちから一つ選べ。
- 鉄塔又は架空地線が直撃雷を受けたとき,鉄塔の電位が上昇し,逆フラッシオーバが起きることがある。
- 直撃でなくても電線路の近くに落雷すれば,電磁誘導や静電誘導で雷サージが発生することがある。これを誘導雷と呼ぶ。
- フェランチ効果によって生じる過電圧は,受電端が開放又は軽負荷のとき,進み電流が線路に流れることによって起こる。この現象は,送電線のこう長が長いほど著しくなる。
- 開閉過電圧は,遮断器や断路器などの開閉操作によって生じる過電圧である。
- 送電線の1線地絡時,健全相に現れる過電圧の大きさは,地絡場所や系統の中性点接地方式に依存する。直接接地方式の場合,非接地方式と比較すると健全相の電圧上昇倍率が低く,地絡電流を小さくすることができる。
- 解答
問11
地中送電線路に使用される各種電力ケーブルに関する記述として,誤っているものを次の(1)~(5)のうちから一つ選べ。
- OFケーブルは,絶縁体として絶縁紙と絶縁油を組み合わせた油浸紙絶縁ケーブルであり,油通路が不要であるという特徴がある。給油設備を用いて絶縁油に大気圧以上の油圧を加えることでボイドの発生を抑制して絶縁強度を確保している。
- POFケーブルは,油浸紙絶縁の線心3条をあらかじめ布設された防食鋼管内に引き入れた後に,絶縁油を高い油圧で充てんしたケーブルである。地盤沈下や外傷に対する強度に優れ,電磁遮蔽効果が高いという特徴がある。
- CVケーブルは,絶縁体に架橋ポリエチレンを使用したケーブルであり,OFケーブルと比較して絶縁体の誘電率,熱抵抗率が小さく,常時導体最高許容温度が高いため,送電容量の面で有利である。
- CVTケーブルは,ビニルシースを施した単心CVケーブル3条をより合わせたトリプレックス形CVケーブルであり,3心共通シース形CVケーブルと比較してケーブルの熱抵抗が小さいため電流容量を大きくできるとともに,ケーブルの接続作業性がよい。
- OFケーブルやPOFケーブルは,油圧の常時監視によって金属シースや鋼管の欠陥,外傷などに起因する漏油を検知できるので,油圧の異常低下による絶縁破壊事故の未然防止を図ることができる。
- 解答
問12
変圧器のV結線方式に関する記述として,誤っているものを次の(1)~(5)のうちから一つ選べ。
- 単相変圧器2台で三相が得られる。
- 同一の変圧器2台を使用して三相平衡負荷に供給している場合,Δ結線変圧器と比較して,出力は
となる。 - 同一の変圧器2台を使用して三相平衡負荷に供給している場合,変圧器の利用率は
となる。 - 電灯動力共用方式の場合,共用変圧器には電灯と動力の電流が加わって流れるため,一般に動力専用変圧器の容量と比較して共用変圧器の容量の方が大きい。
- 単相変圧器を用いたΔ結線方式と比較して,変圧器の電柱への設置が簡素化できる。
- 解答
問13
三相3線式高圧配電線で力率cos𝜙₁=0.76(遅れ),負荷電力P₁[kW]の三相平衡負荷に電力を供給している。
三相平衡負荷の電力がP₂[kW],力率がcos𝜙₂(遅れ)に変化したが線路損失は変わらなかった。P₁がP₂の0.8倍であったとき,負荷電力が変化した後の力率cos𝜙₂(遅れ)の値として,最も近いものを次の(1)~(5)のうちから一つ選べ。
ただし,負荷の端子電圧は変わらないものとする。
- 0.61
- 0.68
- 0.85
- 0.90
- 0.95
- 解答
問14
変圧器に使用される鉄心材料に関する記述として,誤っているものを次の(1)~(5)のうちから一つ選べ。
- 鉄は,炭素の含有量を低減させることにより飽和磁束密度及び透磁率が増加し,保磁力が減少する傾向があるが,純鉄や低炭素鋼は電気抵抗が小さいため,一般に交流用途の鉄心材料には適さない。
- 鉄は,けい素含有量の増加に伴って飽和磁束密度及び保持力が減少し,透磁率及び電気抵抗が増加する傾向がある。そのため,けい素鋼板は交流用途の鉄心材料に広く使用されているが,けい素含有量の増加に伴って加工性や機械的強度が低下するという性質もある。
- 鉄心材料のヒステリシス損は,ヒステリシス曲線が囲む面積と交番磁界の周波数に比例する。
- 厚さの薄い鉄心材料を積層した積層鉄心は,積層した鉄心材料間で電流が流れないように鉄心材料の表面に絶縁被膜が施されており,鉄心材料の積層方向(厚さ方向)と磁束方向とが同一方向となるときに顕著な渦電流損の低減効果が得られる。
- 鉄心材料に用いられるアモルファス磁性材料は,原子配列に規則性がない非結晶構造を有し,結晶構造を有するけい素鋼材と比較して鉄損が少ない。薄帯形状であることから巻鉄心形の鉄心に適しており,柱上変圧器などに使用されている。
- 解答
問15
調整池の有効貯水量V[m³],最大使用水量10m³/sであって,発電機1台を有する調整池式発電所がある。
図のように,河川から調整池に取水する自然流量Qɴは6m³/s で一日中一定とする。この条件で,最大使用水量Qᴘ=10m³/sで6時間運用(ピーク運用)し,それ以外の時間は自然流量より低い一定流量で運用(オフピーク運用)して,一日の自然流量分を全て発電運用に使用するものとする。
ここで,この発電所の一日の運用中の使用水量を変化させても,水車の有効落差,水車効率,発電機効率は変わらず,それぞれ100m,90% ,96%で一定とする。
この条件において,次の(a)及び(b)の問に答えよ。
(a)このときの運用に最低限必要な有効貯水量V[m³]として,最も近いものを次の(1)~(5)のうちから一つ選べ。
- 86200
- 86400
- 86600
- 86800
- 87000
- 解答
(b)オフピーク運用中の発電機出力[kW]として,最も近いものを次の(1)~(5)のうちから一つ選べ。
- 2000
- 2500
- 3000
- 3500
- 4000
- 解答
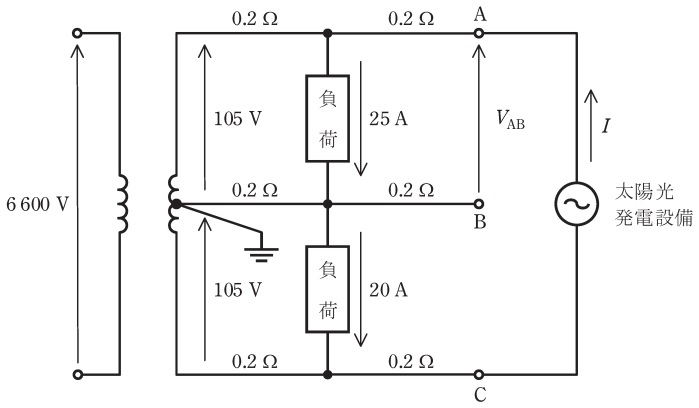
問16
図のように,電圧線及び中性線の各部の抵抗が0.2Ωの単相3線式低圧配電線路において,末端のAC間に太陽光発電設備が接続されている。各部の電圧及び電流が図に示された値であるとき,次の(a)及び(b)の問に答えよ。
ただし,負荷は定電流特性で力率は1,太陽光発電設備の出力(交流)は電流I[A],力率1で一定とする。また,線路のインピーダンスは抵抗とし,図示していないインピーダンスは無視するものとする。
(a)太陽光発電設備を接続する前のAB間の端子電圧Vᴀʙの値[V]として,最も近いものを次の(1)~(5)のうちから一つ選べ。
- 96
- 99
- 100
- 101
- 104
- 解答
(b)太陽光発電設備を接続したところ,AB間の端子電圧Vᴀʙ[V]が107Vとなった。このときの太陽光発電設備の出力電流(交流)Iの値[A]として,最も近いものを次の(1)~(5)のうちから一つ選べ。
ただし,使用電線は,断面積1mm²,長さ1m当たりの抵抗を1/35Ωとする。
- 5
- 15
- 20
- 25
- 30
- 解答
問17
図のように,抵抗を無視できる一回線短距離送電線路のリアクタンスと送電電力について,次の(a)及び(b)の問に答えよ。ただし,一相分のリアクタンス𝑋=11Ω,受電端電圧Vrは66kVで常に一定とする。
(a)基準容量を100MV⋅A,基準電圧を受電端電圧Vrとしたときの送電線路のリアクタンスをパーセント法で示した値[%]として,最も近いものを次の(1)~(5)のうちから一つ選べ。
- 0.4
- 2.5
- 25
- 40
- 400
- 解答
(b)送電電圧Vsを66kV,相差角(送電端電圧
sと受電端電圧
rの位相差)δを30°としたとき,送電電力Psの値[MW]として,最も近いものを次の(1)~(5)のうちから一つ選べ。
- 22
- 40
- 198
- 343
- 3960
- 解答
正誤表
| 1 | 2 | 3 | 4 | 5 | 6 | 7 |
|---|---|---|---|---|---|---|
| - | - | - | - | - | - | - |
| 8 | 9 | 10 | 11 | 12 | 13 | 14 |
|---|---|---|---|---|---|---|
| - | - | - | - | - | - | - |
| 15-a | 15-b | 16-a | 16-b | 17-a | 17-b |
|---|---|---|---|---|---|
| - | - | - | - | - | - |
合計得点