問1
次の文章は,直流電動機の運転に関する記述である。分巻電動機では始動時の過電流を防止するために始動抵抗が(ア)回路に直列に接続されている。
直流電動機の速度制御法には界磁制御法・抵抗制御法・電圧制御法がある。静止レオナード方式は(イ)制御法の一種であり,主に他励電動機に用いられ,広範囲の速度制御ができるという利点がある。
直流電動機の回転の向きを変えることを逆転といい,一般的には,応答が速い(ウ)電流の向きを変える方法が用いられている。
電車が勾配を下るような場合に,電動機を発電機として運転し,電車のもつ運動エネルギーを電源に送り返す方法を(エ)制動という。
上記の記述中の空白箇所(ア)~(エ)に当てはまる組合せとして,正しいものを次の(1)~(5)のうちから一つ選べ。
| ア | イ | ウ | エ | |
|---|---|---|---|---|
| 1 | 界磁 | 抵抗 | 界磁 | 発電 |
| 2 | 界磁 | 抵抗 | 電機子 | 発電 |
| 3 | 界磁 | 電圧 | 界磁 | 回生 |
| 4 | 電機子 | 電圧 | 電機子 | 回生 |
| 5 | 電機子 | 電圧 | 界磁 | 回生 |
- 解答
問2
Δ結線された三相誘導電動機がある。この電動機に対し,Δ結線の状態で拘束試験を実施したところ,下表の結果が得られた。この電動機をY結線に切り替え,220Vの三相交流電源に接続して始動するときの始動電流の値[A]として,最も近いものを次の(1)~(5)のうちから一つ選べ。ただし,磁気飽和による漏れリアクタンスの低下は無視できるものとする。
| 一次電圧(線間電圧) | 43.0V |
|---|---|
| 一次電流(線電流) | 9.00A |
- 15.3
- 26.6
- 46.0
- 79.8
- 138
- 解答
問3
次の文章は,三相巻線形誘導電動機の構造に関する記述である。
三相巻線形誘導電動機は,(ア)を作る固定子と回転する部分の巻線形回転子で構成される。
固定子は,(イ)を円形又は扇形にスロットとともに打ち抜いて,必要な枚数積み重ねて積層鉄心を構成し,その内側に設けられたスロットに巻線を納め,結線して三相巻線とすることにより作られる。
一方,巻線形回転子は,積層鉄心を構成し,その外側に設けられたスロットに巻線を納め,結線して三相巻線とすることにより作られる。始動時には高い電圧にさらされることや,大きな電流が流れることがあるので,回転子の巻線には,耐熱性や絶縁性に優れた絶縁電線が用いられる。一般的に,小出力用では,ホルマール線や(ウ)などの丸線が,大出力用では,(エ)の平角銅線が用いられる。三相巻線は,軸上に絶縁して設けた3個のスリップリングに接続し,ブラシを通して外部(静止部)の端子に接続されている。この端子に可変抵抗器を接続することにより,(オ)を改善したり,速度制御をすることができる。
上記の記述中の空白箇所(ア)~(オ)に当てはまる組合せとして,正しいものを次の(1)~(5)のうちから一つ選べ。
| ア | イ | ウ | エ | オ | |
|---|---|---|---|---|---|
| 1 | 回転磁界 | 高張力鋼板 | ビニル線 | エナメル線 | 効率 |
| 2 | 回転磁界 | 電磁鋼板 | ビニル線 | エナメル線 | 始動特性 |
| 3 | 電磁力 | 電磁鋼板 | ビニル線 | エナメル線 | 効率 |
| 4 | 電磁力 | 高張力鋼板 | ポリエステル線 | ガラス巻線 | 効率 |
| 5 | 回転磁界 | 電磁鋼板 | ポリエステル線 | ガラス巻線 | 始動特性 |
- 解答
問4
次の文章は,三相同期発電機の並行運転に関する記述である。
ある母線に同期発電機Aを接続して運転しているとき,同じ母線に同期発電機Bを並列に接続するには,同期発電機A,Bの(ア)の大きさが等しくそれらの位相が一致していることが必要である。(ア)の大きさを等しくするにはBの(イ)電流を,位相を一致させるにはBの原動機の(ウ)を調整する。位相が一致しているかどうかの確認には(エ)が用いられる。
並行運転中に両発電機間で(ア)の位相が等しく大きさが異なるとき,両発電機間を(オ)横流が循環する。これは電機子巻線の抵抗損を増加させ,巻線を加熱させる原因となる。
上記の記述中の空白箇所(ア)~(オ)に当てはまる組合せとして,正しいものを次の(1)~(5)のうちから一つ選べ。
| ア | イ | ウ | エ | オ | |
|---|---|---|---|---|---|
| 1 | 起電力 | 界磁 | 極数 | 位相検定器 | 有効 |
| 2 | 起電力 | 界磁 | 回転速度 | 同期検定器 | 無効 |
| 3 | 起電力 | 電機子 | 極数 | 位相検定器 | 無効 |
| 4 | 有効電力 | 界磁 | 回転速度 | 位相検定器 | 有効 |
| 5 | 有効電力 | 電機子 | 極数 | 同期検定器 | 無効 |
- 解答
問5
定格出力1500kV⋅A ,定格電圧3300Vの三相同期発電機がある。無負荷時に定格電圧となる界磁電流に対する三相短絡電流(持続短絡電流)は,310Aであった。この同期発電機の短絡比の値として,最も近いものを次の(1)~(5)のうちから一つ選べ。
- 0.488
- 0.847
- 1.18
- 1.47
- 2.05
- 解答
問6
ステッピングモータに関する記述として,誤っているものを次の(1)~(5)のうちから一つ選べ。
- ステッピングモータは,パルスが送られるたびに定められた角度を1ステップとして回転する。
- ステッピングモータは,送られてきたパルスの周波数に比例する回転速度で回転し,入力パルスを停止すれば回転子も停止する。
- ステッピングモータは,負荷に対して始動トルクが大きく,つねに入力パルスと同期して始動できるが,過大な負荷が加わると脱調・停止してしまう場合がある。
- ステッピングモータには,永久磁石形,可変リラクタンス形,ハイブリッド形などがある。永久磁石を用いない可変リラクタンス形ステッピングモータでは,無通電状態でも回転子位置を保持する力が働く特徴がある。
- ステッピングモータは,回転角度センサを用いなくても,1ステップごとの位置制御ができる特徴がある。プリンタやスキャナなどのコンピュータ周辺装置や,各種検査装置,製造装置など,様々な用途に利用されている。
- 解答
問7
電源電圧一定の下,トルク一定の負荷を負って回転している各種電動機の性質に関する記述として,正しいものと誤りのものの組合せとして,正しいものを次の(1)~(5)のうちから一つ選べ。
(ア) 巻線形誘導電動機の二次抵抗を大きくすると,滑りは増加する。
(イ) 力率1.0で運転している同期電動機の界磁電流を小さくすると,電機子電流の位相は電源電圧に対し,進みとなる。
(ウ) 他励直流電動機の界磁電流を大きくすると,回転速度は上昇する。
(エ) かご形誘導電動機の電源周波数を高くすると励磁電流は増加する。
| ア | イ | ウ | エ | |
|---|---|---|---|---|
| 1 | 誤り | 誤り | 正しい | 正しい |
| 2 | 正しい | 正しい | 誤り | 誤り |
| 3 | 誤り | 正しい | 正しい | 正しい |
| 4 | 正しい | 誤り | 誤り | 正しい |
| 5 | 正しい | 誤り | 誤り | 誤り |
- 解答
問8
単相変圧器の一次側に電流計,電圧計及び電力計を接続して,短絡試験を行う。二次側を短絡し,一次側に定格周波数の電圧を供給し,電流計が40Aを示すように一次側の電圧を調整したところ,電圧計は80V,電力計は1000Wを示した。この変圧器の一次側からみた漏れリアクタンスの値[Ω]として,最も近いものを次の(1)~(5)のうちから一つ選べ。
ただし,変圧器の励磁回路のインピーダンスは無視し,電流計,電圧計及び電力計は理想的な計器であるものとする。
- 0.63
- 1.38
- 1.90
- 2.00
- 2.10
- 解答
問9
いろいろな変圧器に関する記述として,誤っているものを次の(1)~(5)のうちから一つ選べ。
- 単巻変圧器は,一つの巻線の一部から端子が出ており,巻線の共通部分を分路巻線,共通でない部分を直列巻線という。三相結線にして電力系統の電圧変成などに用いられる。
- 単相変圧器3台をΔ–Δ結線として三相給電しているとき,故障等により1台を取り除いて残りの2台で同じ電圧のまま給電する方式をV結線方式という。V結線にすると変圧器の利用率はおよそ 0.866倍に減少する。
- スコット結線変圧器は,M変圧器,T変圧器と呼ばれる単相変圧器2台を用いる。M変圧器の中央タップに片端子を接続したT変圧器の途中の端子とM変圧器の両端の端子を三相電源の一次側入力端子とする。二次側端子からは位相差180度の二つの単相電源が得られる。この変圧器は,電気鉄道の給電などに用いられる。
- 計器用変成器は,送配電系統等の高電圧・大電流を低電圧・小電流に変成して指示計器にて計測するためなどに用いられる。このうち,計器用変圧器は,変圧比が1より大きく,定格二次電圧は一般に,110V又Vに統一されている。
- 計器用変成器のうち,変流器は,一次巻線の巻数が少なく,1本の導体を鉄心に貫通させた貫通形と呼ばれるものがある。二次側を開放したままで一次電流を流すと一次電流が全て励磁電流となり,二次端子には高電圧が発生するので,電流計を接続するなど短絡状態で使用する必要がある。
- 解答
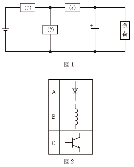
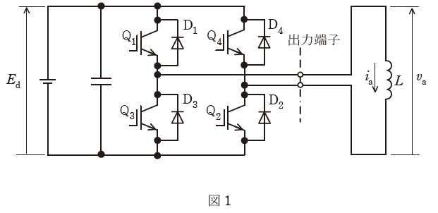
問10
図1は直流チョッパ回路の基本構成図を示している。降圧チョッパを構成するデバイスを図2より選んで回路を構成したい。(ア)~(ウ)に入るデバイスの組合せとして,正しいものを次の(1)~(5)のうちから一つ選べ。
ただし,図2に示す図記号の向きは任意に変更できるものとする。
| ア | イ | ウ | |
|---|---|---|---|
| 1 | B | A | C |
| 2 | B | C | A |
| 3 | C | A | B |
| 4 | C | B | A |
| 5 | A | B | C |
- 解答
問11
かごの質量が250kg,定格積載質量が1500kgのロープ式エレベータにおいて,釣合いおもりの質量は,かごの質量に定格積載質量の40%を加えた値とした。このエレベータで,定格積載質量を搭載したかごを一定速度100m/minで上昇させるときに用いる電動機の出力の値[kW]として,最も近いものを次の(1)~(5)のうちから一つ選べ。
ただし,機械効率は75%,加減速に要する動力及びロープの質量は無視するものとする。
- 2.00
- 14.7
- 19.6
- 120
- 1180
- 解答
問12
次の文章は,ナトリウム-硫黄電池に関する記述である。
大規模な電力貯蔵用の二次電池として,ナトリウム-硫黄電池がある。この電池は(ア)状態で使用されることが一般的である。(イ)極活性物質にナトリウム,(ウ)極活性物質に硫黄を使用し,仕切りとなる固体電解物質には,ナトリウムイオンだけを透過する特性がある(エ)を用いている。
セル当たりの起電力は(オ)Vと低く,容量も小さいため,実際の電池では,多数のセルを直並列に接続して集合化し,モジュール電池としている。この電池は,鉛蓄電池に比べて単位質量当たりのエネルギー密度が3倍と高く,長寿命な二次電池である。
上記の記述中の空白箇所(ア)~(オ)に当てはまる組合せとして,正しいものを次の(1)~(5)のうちから一つ選べ。
| ア | イ | ウ | エ | オ | |
|---|---|---|---|---|---|
| 1 | 高温 | 正 | 負 | 多孔質ポリマー | 1.2~1.5 |
| 2 | 常温 | 正 | 負 | ベータアルミナ | 1.2~1.5 |
| 3 | 低温 | 正 | 負 | 多孔質ポリマー | 1.2~1.5 |
| 4 | 高温 | 負 | 正 | ベータアルミナ | 1.7~2.1 |
| 5 | 低温 | 負 | 正 | 多孔質ポリマー | 1.7~2.1 |
- 解答
問13
文字や音声,画像などの情報を電気信号や光信号に変換してやりとりすることを電気通信といい,様々な用途や場所で利用されている。電気通信に関する記述として,誤っているものを次の(1)~(5)のうちから一つ選べ。
- 通信には,通信ケーブルを伝送路として用いる有線通信と,空間を伝送路として用いる無線通信がある。通信の用途に応じて適切な方式が選択される。
- 電気信号に変換した情報を扱う方式として,アナログ方式とディジタル方式がある。アナログ方式は古くから使用されてきたが,ディジタル方式は,雑音(ノイズ)の影響を受けにくいことや,小型化しやすいこと,コンピュータで処理しやすいことなどから,近年では採用されることが多くなっている。
- 光通信の伝送路として主に用いられる光ファイバケーブルでは,入射した光信号は屈折率の異なるコアとクラッドの間で全反射しながら進んでいく。光ファイバケーブルは伝送損失が非常に少なく,無誘導のため漏話しにくいことから,長距離の伝送に適している。
- 無線通信に用いられる電波の伝わり方は,周波数や波長によって異なるために,通信の用途にあったものが用いられる。周波数の低い,すなわち波長の長い電波は直進性が強いために,特定の方向に向けて発信するのに適している。
- データ通信における誤りの検出方法としてよく使用されるパリティチェック方式は,伝送データのビット列に対して,状態が”1″のビットの個数が奇数または偶数になるように,検査のためのビットを付け加えて送ることで,受信側で誤りを検出する方式である。
- 解答
問14
次の文章は,電子機械の構成と基礎技術に関する記述である。
ディジタルカメラや自動洗濯機など我々が日常で使う機器,ロボット,生産工場の工作機械など,多くの電子機械はメカトロニクス技術によって設計・製造され,運用されている。機械にマイクロコンピュータを取り入れるようになり,メカトロニクス技術は発展してきた。
電子機械では,外界の情報や機械内部の運動状態を各種センサにより取得する。大部分のセンサ出力は電圧または電流の信号であり時間的に連続に変化する(ア)信号である。電気,油圧,空気圧などのエネルギーを機械的な動きに変換するアクチュエータも(ア)信号で動作するものが多い。これらの信号はコンピュータで構成される制御装置で(イ)信号として処理するため,信号の変換器が必要となる。(ア)信号から(イ)信号への変換器を(ウ)変換器,その逆の変換器を(エ)変換器という。センサの出力信号は(ウ)変換器を介してコンピュータに取り込まれ,コンピュータで生成されたアクチュエータへの指令は(エ)変換器を介してアクチュエータに送られる。その間必要に応じて信号レベルを変換する。このような,センサやアクチュエータとコンピュータとの橋渡しの機能をもつものを(オ)という。
上記の記述中の空白箇所(ア)~(オ)に当てはまる組合せとして,正しいものを次の(1)~(5)のうちから一つ選べ。
| ア | イ | ウ | エ | オ | |
|---|---|---|---|---|---|
| 1 | ディジタル | アナログ | D-A | A-D | インタフェース |
| 2 | アナログ | ディジタル | A-D | D-A | インタフェース |
| 3 | アナログ | ディジタル | A-D | D-A | ネットワーク |
| 4 | ディジタル | アナログ | D-A | A-D | ネットワーク |
| 5 | アナログ | ディジタル | D-A | A-D | インタフェース |
- 解答
問15
図は,出力信号 y を入力信号 x に一致させるように動作するフィードバック制御系のブロック線図である。次の(a)及び(b)の問に答えよ。
(a) 図において, K=5 , T=0.1 として,入力信号からフィードバック信号までの一巡伝達関数(開ループ伝達関数)を表す式を計算し,正しいものを次の(1)~(5)から一つ選べ。
- 解答
(b) (a)で求めた一巡伝達関数において,ωを変化させることで得られるベクトル軌跡はどのような曲線を描くか,最も近いものを次の(1)~(5)のうちから一つ選べ。
- 解答
問16
図1は,IGBTを用いた単相ブリッジ接続の電圧形インバータを示す。直流電圧Ed[V]は,一定値と見なせる。出力端子には,インダクタンスL[H]の誘導性負荷が接続されている。
図2は,このインバータの動作波形である。時刻t=0sでIGBT Q3及びQ4のゲート信号をオフにするとともにQ1及びQ2のゲート信号をオンにすると,出力電圧vaはEd[V]となる。t=T/2[s]でQ1及びQ2のゲート信号をオフにするとともにQ3及びQ4のゲート信号をオンにすると,出力電圧vaは−Ed[V]となる。これを周期T[s]で繰り返して方形波電圧を出力する。
このとき,次の(a)及び(b)の問に答えよ。
ただし,デバイス(IGBT及びダイオード)での電圧降下は無視するものとする。
(a) t=0sにおいてia=−Ip[A]とする。時刻t=T/2[s]の直前ではQ1及びQ2がオンしており,出力電流は直流電源からQ1→負荷→Q2の経路で流れている。t=T/2[s]でIGBT Q1及びQ2のゲート信号をオフにするとともにQ3及びQ4のゲート信号をオンにした。その直後(図2で,t=T/2[s]から,出力電流が0Aになるt=tr[s]までの期間),出力電流が流れるデバイスとして,正しい組合せを次の(1)~(5)のうちから一つ選べ。
- Q1Q2
- Q3Q4
- D1D2
- D3D4
- Q3Q4D1D2
- 解答
(b)図1の回路においてEd=100V,L=10mH,T=0.02sとする。t=0sにおける電流値を−Ipとして,t=T/2[s]における電流値をIpとしたとき,Ipの値[A]として,最も近いものを次の(1)~(5)のうちから一つ選べ。
- 33
- 40
- 50
- 66
- 100
- 解答
問17
消費電力1.00kWのヒートポンプ式電気給湯器を6時間運転して,温度20.0℃,体積0.370m3の水を加熱した。ここで用いられているヒートポンプユニットの成績係数(COP)は4.5である。次の(a)及び(b)の問に答えよ。
ただし,水の比熱容量と密度は,それぞれ,4.18×103J/(kg⋅K)と1.00×103kg/m3とし,水の温度に関係なく一定とする。ヒートポンプ式電気給湯器の貯湯タンク,ヒートポンプユニット,配管などの加熱に必要な熱エネルギーは無視し,それらからの熱損失もないものとする。また,ヒートポンプユニットの消費電力及びCOPは,いずれも加熱の開始から終了まで一定とする。
(a)このときの水の加熱に用いた熱エネルギーの値[MJ]として,最も近いものを次の(1)~(5)のうちから一つ選べ。
- 21.6
- 48.6
- 72.9
- 81.0
- 97.2
- 解答
(b)加熱後の水の温度[℃]として,最も近いものを次の(1)~(5)のうちから一つ選べ。
- 34.0
- 51.4
- 67.1
- 72.4
- 82.8
- 解答
問18
以下の論理回路について,次の(a)及び(b)の問に答えよ。
(a)図1に示す論理回路の真理値表として,正しいものを次の(1)~(5)のうちから一つ選べ。
- 解答
(b)図1に示す論理回路を2組用いて図2に示すように接続して構成したとき、A、B及びC0の入力に対する出力S2及びC2の記述として、正しいものを次の(1)~(5)のうちから一つ選べ。
- A=0、B=0、C0=0を入力したときの出力は、S2=0、C2=1である。
- A=0、B=1、C0=0を入力したときの出力は、S2=1、C2=0である。
- A=1、B=0、C0=0を入力したときの出力は、S2=0、C2=1である。
- A=1、B=0、C0=1を入力したときの出力は、S2=1、C2=0である。
- A=1、B=1、C0=1を入力したときの出力は、S2=0、C2=1である。
- 解答