問1
直流機の構造に関する記述として,誤っているものを次の(1)~(5)のうちから一つ選べ。
- 直流機は固定子と回転子からなる。界磁は固定子にあり,電機子及び整流子は回転子にある。
- 電機子鉄心には,交番磁束による渦電流損を少なくするため,電磁鋼板を層状に重ねた積層鉄心が用いられる。
- 直流発電機には他励式と自励式がある。他励式には,分巻発電機,直巻発電機などがある。
- 電機子電流による起磁力がエアギャップの磁束分布に影響を与える作用を電機子反作用といい,この影響を防ぐために補償巻線や補極が用いられる。
- 直流電動機に生じる電機子反作用の向きは発電機の場合とは反対であるが,電機子電流の向きが反対であるので補償巻線や補極の接続方法は発電機の場合と同じでよい。
- 解答
問2
三相誘導電動機が滑り2.5%で運転している。このとき,電動機の二次銅損が188Wであるとすると,電動機の軸出力[kW]の値として,最も近いものを次の(1)~(5)のうちから一つ選べ。ただし,機械損は0.2kWとし,負荷に無関係に一定とする。
- 7.1
- 7.3
- 7.5
- 8.0
- 8.5
- 解答
問3
次の文章は,三相誘導電動機の構造に関する記述である。
三相誘導電動機は,(ア)磁界を作る固定子及び回転する回転子からなる。回転子は,(イ)回転子と(ウ)回転子との2種類に分類される。(イ)回転子では,回転子溝に導体を納めてその両端が(エ)で接続される。(ウ)回転子では,二次電流を(オ),ブラシを通じて外部回路に流すことができる。
上記の記述中の空白箇所(ア)~(オ)に当てはまる組合せとして,正しいものを次の(1)~(5)のうちから一つ選べ。
| ア | イ | ウ | エ | オ | |
|---|---|---|---|---|---|
| 1 | 回転 | かご形 | 巻線形 | スリップリング | 整流子 |
| 2 | 交番 | かご形 | 巻線形 | 端絡環 | スリップリング |
| 3 | 回転 | 巻線形 | かご形 | スリップリング | 整流子 |
| 4 | 回転 | かご形 | 巻線形 | 端絡環 | スリップリング |
| 5 | 交番 | 巻線形 | かご形 | スリップリング | 整流子 |
- 解答
問4
次の文章は,三相同期電動機の位相特性に関する記述である。
図は三相同期電動機の位相特性曲線(V曲線)の一例である。同期電動機は,界磁電流を変えると,電機子電流の端子電圧に対する位相が変わり,さらに,電機子電流の大きさも変わる。図の曲線の最低点は力率が1となる点で,図の破線より右側は(ア)電流,左側は(イ)電流の範囲となる。また,電動機の出力を大きくするにつれて,曲線は(ウ)→B→(エ)の順に変化する。
この位相特性を利用して,三相同期電動機を需要家機器と並列に接続して無負荷運転し,需要家機器の端子電圧を調整することができる。このような目的で用いる三相同期電動機を(オ)という。
上記の記述中の空白箇所(ア)~(オ)に当てはまる組合せとして,正しいものを次の(1)~(5)のうちから一つ選べ。
| ア | イ | ウ | エ | オ | |
|---|---|---|---|---|---|
| 1 | 遅れ | 進み | A | C | 静止形無効電力補償装置 |
| 2 | 遅れ | 進み | C | A | 静止形無効電力補償装置 |
| 3 | 遅れ | 進み | A | C | 同期調相機 |
| 4 | 進み | 遅れ | C | A | 同期調相機 |
| 5 | 進み | 遅れ | A | C | 同期調相機 |
- 解答
問5
定格出力8000kV⋅A,定格電圧6600Vの三相同期発電機がある。この発電機の同期インピーダンスが4.73Ωのとき,短絡比の値として,最も近いものを次の(1)~(5)のうちから一つ選べ。
- 0.384
- 0.665
- 1.15
- 1.50
- 2.61
- 解答
問6
次の文章は,小形交流モータに関する記述である。
モータの固定子がつくる回転磁界中に,永久磁石を付けた回転子を入れると,回転子は回転磁界(ア)で回転する。これが永久磁石同期モータの回転原理である。
永久磁石形同期モータは,回転子の構造により,(イ)磁石形同期モータと(ウ)磁石形同期モータに分類される。(イ)磁石形同期モータは,構造的に小型化・高速化に適しており,さらに(エ)トルクが利用できる特徴がある。
(エ)トルクは,固定子と回転子の鉄心(電磁鋼板)との間に働く回転力のことである。この回転力のみを利用したモータは,永久磁石形同期モータに比べて,材料コストが(オ)という特徴がある。
上記の記述中の空白箇所(ア)~(オ)に当てはまる組合せとして,正しいものを次の(1)~(5)のうちから一つ選べ。
| ア | イ | ウ | エ | オ | |
|---|---|---|---|---|---|
| 1 | より低い速度 | 表面 | 埋込 | リラクタンス | 低い |
| 2 | より低い速度 | 埋込 | 表面 | コギング | 低い |
| 3 | と同じ速度 | 埋込 | 表面 | リラクタンス | 高い |
| 4 | と同じ速度 | 埋込 | 表面 | リラクタンス | 低い |
| 5 | と同じ速度 | 表面 | 埋込 | コギング | 高い |
- 解答
問7
次の文章は,交流機における電機子巻線法に関する記述である。
電機子巻線法には,1相のコイルをいくつかのスロットに分けて配置する(ア)と,集中巻がある。(ア)の場合,各極各相のスロット数は(イ)となる。
(ア)において,コイルピッチを極ピッチよりも短くした巻線法を(ウ)と呼ぶ。この巻線法を採用すると,(エ)は低くなるが,コイル端を短くできることや,(オ)が改善できるなどの利点があるため,一般的によく用いられている。
上記の記述中の空白箇所(ア)~(オ)に当てはまる組合せとして,正しいものを次の(1)~(5)のうちから一つ選べ。
| ア | イ | ウ | エ | オ | |
|---|---|---|---|---|---|
| 1 | 分布巻 | 2以上 | 短節巻 | 誘導起電力 | 電圧波形 |
| 2 | 分散巻 | 2未満 | 全節巻 | 励磁電流 | 力率 |
| 3 | 分布巻 | 2未満 | 短節巻 | 励磁電流 | 力率 |
| 4 | 分布巻 | 2未満 | 短節巻 | 励磁電流 | 電圧波形 |
| 5 | 分散巻 | 2以上 | 全節巻 | 誘導起電力 | 力率 |
- 解答
問8
単相変圧器がある。定格二次電圧200Vにおいて,二次電流が250Aのときの全損失が1525Wであり,同様に二次電圧200Vにおいて,二次電流が150Aのときの全損失が1125Wであった。この変圧器の無負荷損の値[W]として,最も近いものを(1)~(5)のうちから一つ選べ。
- 400
- 525
- 576
- 900
- 1000
- 解答
問9
変圧器に関する記述として,誤っているものを次の(1)~(5)のうちから一つ選べ。
- 無負荷の変圧器の一次巻線に正弦波交流電圧を加えると,鉄心には磁気飽和現象やヒステリシス現象が生じるので電流は非正弦波電流となる。この電流を励磁電流といい,第3次をはじめとする多くの次数の高調波を含む。
- 変圧器の励磁電流のうち,一次電圧と同相成分を鉄損電流,π/2[rad]遅れた成分を磁化電流という。
- 変圧器の鉄損には主にヒステリシス損と渦電流損がある。電源の周波数をf,鉄心に用いる電磁鋼板の厚さをtとすると,ヒステリシス損はfに比例し,渦電流損は(f×t)の2乗に比例する。ただし,鉄心の磁束密度を同一とする。
- 変圧器の損失には主に鉄損と銅損があり,両者が等しくなったときに最大効率となる。無負荷損の主なものは鉄損で,電圧と周波数が一定であれば負荷に関係なく一定である。また,負荷損の主なものは銅損で,負荷電流の2乗に比例する。
- 変圧器の等価回路において,励磁回路は励磁コンダクタンスと励磁サセプタンスで構成される。両者を合わせて励磁アドミタンスという。励磁コンダクタンスに流れる電流は磁化電流に対応し,励磁サセプタンスで発生する損失は鉄損に対応している。
- 解答
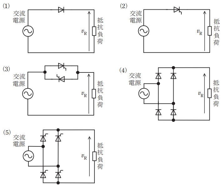
問10
図に示す出力電圧波形vRを得ることができる電力変換回路として,正しいものを次の(1)~(5)のうちから一つ選べ。ただし,回路中の交流電源は正弦波交流電圧源とする。
- 解答
問11
電動機で駆動するポンプを用いて,毎時80m3の水をパイプへ通して揚程40mの高さに持ち上げる。ポンプの効率は72%,電動機の効率は93%で,パイプの損失水頭は0.4mであり,他の損失水頭は無視できるものとする。このとき必要な電動機入力[kW]の値として,最も近いものを次の(1)~(5)のうちから一つ選べ。ただし,水の密度は1.00×103kg/m3,重力加速度は9.8m/s2とする。
- 0.013
- 0.787
- 4.83
- 13.1
- 80.4
- 解答
問12
電気加熱に関する記述として,誤っているものを次の(1)~(5)のうちから一つ選べ。
- 抵抗加熱は,電流によるジュール熱を利用して加熱するものである。
- アーク加熱は,アーク放電によって生じる熱を利用するもので,直接加熱方式と間接加熱方式がある。
- 赤外加熱において,遠赤外ヒータの最大放射束の波長は,赤外電球の最大放射束の波長より長い。
- 誘電加熱は,交番電界中におかれた誘電体中に生じる誘電損により加熱するものである。
- 誘導加熱は,印加磁界中におかれた強磁性体中の渦電流によって生じるジュール熱(渦電流損)により加熱するものである。
- 解答
問13
次の文章は,電気通信に関する記述である。
電気通信において,信号に変換された情報を伝える媒体を伝送路と呼ぶ。伝送路などから混入し,送りたい信号を変化させてしまうことがある不要な成分を(ア)という。
身近な通信手段の一つとして電話がある。地域間をまたがる電話網において多数の通話を効率的に中継するために, 1 本の伝送路を用いて同時に多数の通話を伝送する技術を(イ)という。
無線通信では,送りたい情報を信号波と呼ばれる電気信号に変換した後,送信機によって,周波数のより高い搬送波と呼ばれる信号と合成し,(ウ)を作る。(ウ)を作り出したり,受信機において(ウ)から信号波を取り出す方式はいくつかある。
アナログ信号をディジタル信号に変換する A–D 変換においては,アナログ信号の最高周波数に対して,その2倍以上の周波数で(エ)を行えば,(エ)された信号から元のアナログ信号を再現できる。これを(エ)定理という。
画像や音声,ビデオなどの情報をそのまま記録・伝送しようとすると,データのサイズが大きくなるために,データの(オ)が行われる。静止画像の代表的な(オ)方法として JPEG という国際標準規格がある。
上記の記述中の空白箇所(ア)~(オ)に当てはまる組合せとして,正しいものを次の(1)~(5)のうちから一つ選べ。
| (ア) | (イ) | (ウ) | (エ) | (オ) | |
|---|---|---|---|---|---|
| 1 | 雑音(ノイズ) | 輻輳 | 正弦波 | 標本化 | 圧縮 |
| 2 | 側波帯 | 多重化 | 変調波 | 標本化 | 伸長 |
| 3 | 雑音(ノイズ) | 多重化 | 変調波 | 標本化 | 圧縮 |
| 4 | 雑音(ノイズ) | 多重化 | 変調波 | 量子化 | 伸長 |
| 5 | 側波帯 | 輻輳 | 正弦波 | 量子化 | 圧縮 |
- 解答
問14
次の文章は,メカトロニクスの概要と構成要素に関する記述である。
メカトロニクスは(ア)技術,(イ)技術,情報技術を統合した技術である。これにより,メカニズム(機構)によってつくられた従来の(ア)に,マイクロコンピュータなどの(イ)部品を組み込んで,高性能で多機能な機械装置が実現できる。
メカトロニクス製品の構成要素には,(ウ),(エ),(オ)及びインタフェースがある。(ウ)は,機械の圧力,力,速度,加速度,温度などの物理量を計測する。(エ)は,電気,油圧,空気圧などのエネルギーを機械的な動きに変換する。(オ)は,(ウ)で計測した情報を処理して(エ)への指令を生成する制御装置としての役割を果たす。インタフェースは,(ウ)や(エ)の扱う電気信号と(オ)が処理できるディジタル信号との変換を担当する。
上記の記述中の空白箇所(ア)~(オ)に当てはまる組合せとして,正しいものを次の(1)~(5)のうちから一つ選べ。
| ア | イ | ウ | エ | オ | |
|---|---|---|---|---|---|
| 1 | 機械 | 電子 | アクチュエータ | ネットワーク | センサ |
| 2 | 電子 | 機械 | センサ | アクチュエータ | コンピュータ |
| 3 | 電子 | 機械 | コンピュータ | センサ | アクチュエータ |
| 4 | 機械 | 電子 | センサ | アクチュエータ | コンピュータ |
| 5 | 機械 | 電子 | センサ | ネットワーク | アクチュエータ |
- 解答
問15
図は,抵抗,インダクタンス,キャパシタンスで構成されたRLC回路である。次の(a)及び(b)の問に答えよ。
(a) 図において、入力電圧 iに対する出力電圧oの伝達関数G(jω)(=o/i)を求め、正しいものを次の(1)~(5)のうちから一つ選べ
- 解答
(b) 図において, R=1Ω,L=0.01H,C=100μFとした場合,(a)で求めた伝達関数を表すボード線図(ゲイン特性図)として,最も近いものを次の(1)~(5)のうちから一つ選べ。
- 解答
問16
図1は,IGBTを用いた単相ブリッジ接続の電圧形インバータを示す。直流電圧Ed[V]は,一定値と見なせる。出力端子には,インダクタンスL[H]で抵抗値R[Ω]の誘導性負荷が接続されている。この電圧形インバータの出力電圧v0,出力電流i0が図2のようになった。インバータの動作モードを図2に示す①~④として本モードは周期T[s]で繰り返されるものとする。なお,上下スイッチの短絡を防ぐデッドタイムは考慮しない。
次の(a)及び(b)の問に答えよ。
(a) 図2に示した区間①~④において電流が流れているデバイスの組合せとして正しいものを次の(1)~(5)のうちから一つ選べ。
| ① | ② | ③ | ④ | |
|---|---|---|---|---|
| 1 | D2-D3 | Q2-Q3 | D1-D4 | Q1-Q4 |
| 2 | D1-D4 | Q1-Q4 | D2-D3 | Q2-Q3 |
| 3 | Q1-Q4 | Q1-Q4 | Q2-Q3 | Q2-Q3 |
| 4 | Q1-D3 | Q1-Q4 | Q2-D4 | Q2-Q3 |
| 5 | Q2-Q3 | Q2-Q3 | Q1-Q4 | Q1-Q4 |
- 解答
(b)電源電圧Edが100V、インダクタンスLを2mHとし、抵抗Rを1Ωとすると、区間①②の電流は-Ip[A]からIp[A]まで時定数τ[s]で増加する。τに最も近い値を次の(1)~(5)のうちから一つ選べ。
- 0.001
- 0.002
- 0.0032
- 0.0063
- 0.02
- 解答
問17
どの方向にも光度が等しい均等放射の点光源がある。この点光源の全光束は3000lmである。この点光源を図のように配置した。水平面から点光源までの高さは2mであり、点光源の直下の点AとBとの距離は1.5mである。次の(a)及び(b)の問に答えよ。
(a) この点光源の平均光度[cd]として,最も近いものを次の(1)~(5)のうちから一つ選べ。
- 191
- 239
- 318
- 477
- 955
- 解答
(b) 水平面B点における水平面照度の値[lx]として、最も近いものを次の(1)~(5)のうちから一つ選べ。
- 10
- 24
- 31
- 61
- 122
- 解答
問18
30件分の使用電力量のデータ処理について,次の(a)及び(b)に答えよ。
(a)図1は,30件分の使用電力量の中から最大値と30件分の平均値を出力する一つのプログラムの流れ図を示す。図1中の(ア)~(エ)に当てはまる処理として,正しいものを組み合わせたのは次のうちどれか。
| (ア) | (イ) | (ウ) | (エ) | |
|---|---|---|---|---|
| 1 | t←d[1] | 0 | d[i]<s | s←d[i] |
| 2 | t←0 | 2 | d[i]>s | s←d[i] |
| 3 | t←d[1] | 2 | d[i]<s | d[i]←s |
| 4 | t←d[1] | 2 | d[i]>s | s←d[i] |
| 5 | t←0 | 0 | d[i]<s | d[i]←s |
- 解答
(b)図2は、30件の使用電力量を大きい順(降順)に並べ替える一つのプログラムの流れ図を示す。図2中の(オ)~(キ)に当てはまる処理として、正しいものを組み合わせたのは次のうちどれか。ただし、wは一時的な退避用の変数と考えよ。
| (オ) | (カ) | (キ) | |
|---|---|---|---|
| 1 | d[ i ]<d[ j ] | d[ j ]←d[ i ] | d[ j ]←w |
| 2 | d[ i ]<d[ j ] | d[ i ]←d[ j ] | d[ j ]←w |
| 3 | d[ i ]<d[ j ] | d[ j ]←d[ i ] | d[ i ]←w |
| 4 | d[ i ]>d[ j ] | d[ i ]←d[ j ] | d[ j ]←w |
| 5 | d[ i ]>d[ j ] | d[ j ]←d[ i ] | d[ i ]←w |
- 解答