問1
次の文章は,直流機の構造に関する記述である。
直流機の構造は,固定子と回転子とからなる。固定子は,(ア),継鉄などによって,また,回転子は,(イ),整流子などによって構成されている。
電機子鉄心は,(ウ)磁束が通るため,(エ) が用いられている。また,電機子巻線を収めるための多数のスロットが設けられている。
六角形(亀甲形)の形状の電機子巻線は,そのコイル辺を電機子鉄心のスロットに挿入する。各コイル相互のつなぎ方には,(オ)と波巻がある。直流機では,同じスロットにコイル辺を上下に重ねて2個ずつ入れた二層巻としている。
上記の記述中の空白箇所(ア)~(オ)に当てはまる組合せとして,正しいものを次の(1)~(5)のうちから一つ選べ。
| ア | イ | ウ | エ | オ | |
|---|---|---|---|---|---|
| 1 | 界磁 | 電機子 | 交番 | 積層鉄心 | 重ね巻 |
| 2 | 界磁 | 電機子 | 交番 | 鋳鉄 | 直列巻 |
| 3 | 界磁 | 電機子 | 一定の | 積層鉄心 | 直列巻 |
| 4 | 電機子 | 界磁 | 交番 | 鋳鉄 | 重ね巻 |
| 5 | 電機子 | 界磁 | 一定の | 積層鉄心 | 直列巻 |
- 解答
問2
界磁に永久磁石を用いた小形直流電動機があり,電源電圧は定格の12V,回転を始める前の静止状態における始動電流は4A,定格回転数における定格電流は1Aである。定格運転時の効率の値[%]ïとして,最も近いものを次の(1)~(5)のうちから一つ選べ。
ただし,ブラシの接触による電圧降下及び電機子反作用は無視できるものとし,損失は電機子巻線による銅損しか存在しないものとする。
- 60
- 65
- 70
- 75
- 80
- 解答
問3
次の文章は,三相誘導電動機の誘導起電力に関する記述である。
三相誘導電動機で固定子巻線に電流が流れると(ア)が生じ,これが回転子巻線を切るので回転子巻線に起電力が誘導され,この起電力によって回転子巻線に電流が流れることでトルクが生じる。この回転子巻線の電流によって生じる起磁力を(イ)ように固定子巻線に電流が流れる。
回転子が停止しているときは,固定子巻線に流れる電流によって生じる(ア)は,固定子巻線を切るのと同じ速さで回転子巻線を切る。このことは原理的に変圧器と同じであり,固定子巻線は変圧器の(ウ)巻線に相当し,回転子巻線は(エ)巻線に相当する。回転子巻線の各相には変圧器と同様に(エ)誘導起電力を生じる。
回転子が回転しているときは,電動機の滑りをsとすると,(エ)誘導起電力の大きさは,回転子が停止しているときの(オ)倍となる。
上記の記述中の空白箇所(ア)~(オ)に当てはまる組合せとして,正しいものを次の(1)~(5)のうちから一つ選べ。
| (ア) | (イ) | (ウ) | (エ) | (オ) | |
|---|---|---|---|---|---|
| 1 | 交番磁界 | 打ち消す | 二次 | 一次 | 1-s |
| 2 | 回転磁界 | 打ち消す | 一次 | 二次 | 1/s |
| 3 | 回転磁界 | 増加させる | 二次 | 一次 | s |
| 4 | 交番磁界 | 増加させる | 二次 | 一次 | 1/s |
| 5 | 回転磁界 | 打ち消す | 一次 | 二次 | s |
- 解答
問4
定格出力36kW,定格周波数60Hz,8極のかご形三相誘導電動機があり,滑り4%で定格運転している。このとき,電動機のトルク[N⋅m]の値として,最も近いものを次の(1)~(5)のうちから一つ選べ。ただし,機械損は無視できるものとする。
- 382
- 398
- 428
- 458
- 478
- 解答
問5
三相同期発電機の短絡比に関する記述として,誤っているものを次の(1)~(5)のうちから一つ選べ。
- 短絡比を小さくすると,発電機の外形寸法が小さくなる。
- 短絡比を小さくすると,発電機の安定度が悪くなる。
- 短絡比を小さくすると,電圧変動率が小さくなる。
- 短絡比が小さい発電機は,銅機械と呼ばれる。
- 短絡比が小さい発電機は,同期インピーダンスが大きい。
- 解答
問6
次のような三相同期発電機がある。
1極当たりの磁束 0.10Wb
極数 12
1分間の回転速度 600min-1
1相の直列巻数 250
巻線係数 0.95
結線 Y(1相のコイルは全部直列)
この発電機の無負荷誘導起電力(線間値)の値[kV]として,最も近いものを次の(1)~(5)のうちから一つ選べ。ただし,エアギャップにおける磁束分布は正弦波であるものとする。
- 2.09
- 3.65
- 6.33
- 11.0
- 19.0
- 解答
問7
電動機と負荷の特性を,回転速度を横軸,トルクを縦軸に描く,トルク対速度曲線で考える。電動機と負荷の二つの曲線がどのように交わるかを見ると,その回転数における運転が安定か不安定かを判定することができる。誤っているものを次の(1)~(5)のうちから一つ選べ。
- 負荷トルクよりも電動機トルクが大きいと回転は加速し,反対に電動機トルクよりも負荷トルクが大きいと回転は減速する。回転速度一定の運転を続けるには,負荷と電動機のトルクが一致する安定な動作点が必要である。
- 巻線形誘導電動機では,回転速度の上昇とともにトルクが減少するように,二次抵抗を大きくし,大きな始動トルクを発生させることができる。この電動機に回転速度の上昇とともにトルクが増える負荷を接続すると,両曲線の交点が安定な動作点となる。
- 電源電圧を一定に保った直流分巻電動機は,回転速度の上昇とともにトルクが減少する。一方,送風機のトルクは,回転速度の上昇とともにトルクが増大する。したがって,直流分巻電動機は,安定に送風機を駆動することができる。
- かご形誘導電動機は,回転トルクが小さい時点から回転速度を上昇させるとともにトルクが増大,最大トルクを超えるとトルクが減少する。この電動機に回転速度でトルクが変化しない定トルク負荷を接続すると,電動機と負荷のトルク曲線が2点で交わる場合がある。この場合,加速時と減速時によって安定な動作点が変わる。
- かご形誘導電動機は,最大トルクの速度より高速な領域では回転速度の上昇とともにトルクが減少する。一方,送風機のトルクは,回転速度の上昇とともにトルクが増大する。したがって,かご形誘導電動機は,安定に送風機を駆動することができる。
- 解答
問8
三相変圧器の並行運転に関する記述として,誤っているものを次の(1)~(5)のうちから一つ選べ。
- 各変圧器の極性が一致していないと,大きな循環電流が流れて巻線の焼損を引き起こす。
- 各変圧器の変圧比が一致していないと,負荷の有無にかかわらず循環電流が流れて巻線の過熱を引き起こす。
- 一次側と二次側との誘導起電力の位相変位(角変位)が各変圧器で等しくないと,その程度によっては,大きな循環電流が流れて巻線の焼損を引き起こす。したがって、Δ―YとY―Yとの並行運転はできるが,Δ―ΔとΔ―Yとの並行運転はできない。
- 各変圧器の巻線抵抗と漏れリアクタンスとの比が等しくないと,各変圧器の二次側に流れる電流に位相差が生じ取り出せる電力は各変圧器の出力の和より小さくなり,出力に対する銅損の割合が大きくなって利用率が悪くなる。
- 各変圧器の百分率インピーダンス降下が等しくないと,各変圧器が定格容量に応じた負荷を分担することができない。
- 解答
問9
定格容量50kV⋅Aの単相変圧器において,力率1の負荷で全負荷運転したときに,銅損が1000W,鉄損が250Wとなった。力率1を維持したまま負荷を調整し,最大効率となる条件で運転した。銅損と鉄損以外の損失は無視できるものとし,この最大効率となる条件での効率の値 [%] として,最も近いものを次の(1)~(5)のうちから一つ選べ。
- 95.2
- 96.0
- 97.6
- 98.0
- 99.0
- 解答
問10
パワー半導体スイッチングデバイスとしては近年,主にIGBTとパワーMOSFETが用いられている。通常動作における両者の特性を比較した記述として,誤っているものを次の(1)~(5)のうちから一つ選べ。
- IGBTは,オンのゲート電圧が与えられなくても逆電圧が印加されれば逆方向の電流が流れる。
- パワーMOSFETは電圧駆動形であり,ゲート・ソース間に正の電圧をかけることによりターンオンする。
- パワーMOSFETはユニポーラデバイスであり,一般的にバイポーラ形のIGBTと比べてターンオン時間が短い一方,流せる電流は小さい。
- IGBTはキャリアの蓄積作用のためターンオフ時にテイル電流が流れ,パワーMOSFET と比べてオフ時間が長くなる。
- パワーMOSFETではシリコンのかわりにSiCを用いることで,高耐圧化と高耐熱化が可能になる。
- 解答
問11
図に示すように,電動機が減速機と組み合わされて負荷を駆動している。このときの電動機の回転速度nmが1150min-1,トルクTmが100N⋅mであった。減速機の減速比が8,効率が0.95のとき,負荷の回転速度nL[min-1],軸トルクTL[N⋅m]及び軸入力PL[kW]の値として,最も近いものを組み合わせたのは次のうちどれか。
| nL[min-1] | TL[N・m] | PL[kW] | |
|---|---|---|---|
| 1 | 133.6 | 11.9 | 11.4 |
| 2 | 143.8 | 760 | 11.4 |
| 3 | 9200 | 760 | 6992 |
| 4 | 143.8 | 11.9 | 11.4 |
| 5 | 9200 | 11.9 | 6992 |
- 解答
問12
次の文章は,光の基本量に関する記述である。
光源の放射束のうち人の目に光として感じるエネルギーを光束といい単位には(ア)を用いる。
照度は,光を受ける面の明るさの程度を示し,1(イ)とは被照射面積1m2に光束1(ア)が入射しているときの,その面の照度である。
光源の各方向に出ている光の強さを示すものが光度である。光度I(ウ)は,立体角ω[sr]から出る光束をF(ア)とするとI=F/ωで示される。
物体の単位面積から発散する光束の大きさを光束発散度 M(エ)といい,ある面から発散する光束をF,その面積をA[m2]とするとM=F/Aで示される。
光源の発光面及び反射面の輝きの程度を示すのが輝度であり,単位には(オ)を用いる。
上記の記述中の空白箇所(ア)~(オ)に当てはまる組合せとして,正しいものを次の(1)~(5)のうちから一つ選べ。
| ア | イ | ウ | エ | オ | |
|---|---|---|---|---|---|
| 1 | [lx] | [lm] | [cd] | [lx/m2] | [lx/sr] |
| 2 | [lm] | [lx] | [lm/sr] | [lm/m2] | [cd] |
| 3 | [lm] | [lx] | [cd] | [lm/m2] | [cd/m2] |
| 4 | [cd] | [lx] | [lm] | [cd/m2] | [lm/m2] |
| 5 | [cd] | [lm] | [cd/sr] | [cd/m2] | [lx] |
- 解答
問13
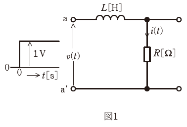
図1に示すR-L回路において、端子a、a’間に単位階段状のステップ電圧v(t)[V]を加えたとき、抵抗R[Ω]に流れる電流をi(t)[A]とすると、i(t)は図2のようになった。
この回路のR[Ω]、L[H]の値及び入力をa、a’間の電圧とし、出力をR[Ω]に流れる電流としたときの周波数伝達関数G(jω)の式として、正しいものを次の(1)~(5)のうちから一つ選べ。
- 解答
問14
次のフローチャートに従って作成したプログラムを実行したとき,印字されるA,Bの値として,正しい組合せを次の(1)~(5)のうちから一つ選べ。
| A | B | |
|---|---|---|
| 1 | 43 | 288 |
| 2 | 43 | 677 |
| 3 | 43 | 26 |
| 4 | 720 | 26 |
| 5 | 720 | 677 |
- 解答
問15
定格一次電圧3000V,定格二次電圧が3300Vの単相単巻変圧器について,次の(a)及び(b)の問に答えよ。なお,巻線のインピーダンス,鉄損は無視できるものとする。
(a) この単相単巻変圧器の二次側に負荷を接続したところ,一次電圧は3000V,一次電流は100Aであった。この変圧器の直列巻線に流れる電流値[A]として,最も近いものを次の(1)~(5)のうちから一つ選べ。
- 9.09
- 10.0
- 30.9
- 90.9
- 110
- 解答
(b) この変圧器の自己容量[kV⋅A]として,最も近いものを次の(1)~(5)のうちから一つ選べ。
- 15.8
- 27.3
- 30.0
- 47.3
- 81.9
- 解答
問16
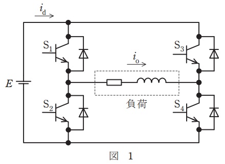
図1は,単相インバータで誘導性負荷に給電する基本回路を示す。負荷電流ioと直流電流idは図示する矢印の向きを正の方向として,次の(a)及び(b)の問に答えよ。
(a) 出力交流電圧の1周期に各パワートランジスタが1回オンオフする運転において,図2に示すように,パワートランジスタS1~S4のオンオフ信号波形に対して,負荷電流ioの正しい波形が(ア)~(ウ),直流電流idの正しい波形が(エ),(オ)のいずれかに示されている。その正しい波形の組合せを次の(1)~(5)のうちから一つ選べ。
- (ア)と(エ)
- (イ)と(エ)
- (ウ)と(オ)
- (ア)と(オ)
- (イ)と(オ)
- 解答
(b) 単相インバータの特徴に関する記述として,誤っているものを次の(1)~(5)のうちから一つ選べ。
- 図1は電圧形インバータであり,直流電源Eの高周波インピーダンスが低いことが要求される。
- 交流出力の調整は,S1~S4に与えるオンオフ信号の幅T/2を短くすることによって交流周波数を高くすることができる。又は,Eの直流電圧を高くすることによって交流電圧を高くすることができる。
- 図1に示されたパワートランジスタを,IGBT又はパワーMOSFETに置換えてもインバータを実現できる。
- ダイオードが接続されているのは負荷のインダクタンスに蓄えられたエネルギーを直流電源に戻すためであり,さらにダイオードが導通することによって得られる逆電圧でパワートランジスタを転流させている。
- インダクタンスを含む負荷としては誘導電動機も駆動できる。運転中に負荷の力率が低くなると,電流がダイオードに流れる時間が長くなる。
- 解答
問17
熱伝導について,次の(a)及び(b)の問に答えよ。
断面積が2m2,厚さが30cm,熱伝導率が1.6W/(m⋅K)の両表面間に温度差がある壁がある。ただし,熱流は厚さ方向のみの一次元とする。
(a) この壁の厚さ方向の熱抵抗Rの値[K/W]に最も近いものを次の(1)~(5)のうちから一つ選べ。
- 0.0417
- 0.0938
- 0.267
- 2.67
- 4.17
- 解答
(b) この壁の低温側の温度t2が20℃のとき,この壁の熱流Φが100Wであった。このとき,この壁の高温側の温度t1の値[℃]に最も近いものを次の(1)~(5)のうちから一つ選べ。
- 21.0
- 22.1
- 24.2
- 29.4
- 46.7
- 解答
問18
図はマイクロプロセッサの動作クロックを示す。マイクロプロセッサは動作クロックと呼ばれるパルス信号に同期して処理を行う。また,マイクロプロセッサが1命令当たりに使用する平均クロック数をCPIと呼ぶ。1クロックの周期T[s]をサイクルタイム,1秒当たりの動作クロック数fを動作周波数と呼ぶ。
次の(a)及び(b)の問に答えよ。
(a) 2.5[GHz]の動作クロックを使用するマイクロプロセッサのサイクルタイムの値[ns]として,正しいものを次の(1)~(5)のうちから一つ選べ。
- 0.0004
- 0.25
- 0.4
- 250
- 400
- 解答
(b) CPI=4のマイクロプロセッサにおいて,1命令当たりの平均実行時間が0.02μsであった。このマイクロプロセッサの動作周波数[MHz]の値として,正しいものを次の(1)~(5)のうちから一つ選べ。
- 0.0125
- 0.2
- 12.5
- 200
- 12500
- 解答