問1
次の文章は、「電気事業法」及び「電気事業法施行規則」に基づく主任技術者に関する記述である。
- 主任技術者は、事業用電気工作物の工事、維持及び運用に関する保安の(ア)の職務を誠実に行わなければならない。
- 事業用電気工作物の工事、維持及び運用に(イ)する者は、主任技術者がその保安のためにする指示に従わなければならない。
- 第3種電気主任技術者免状の交付を受けている者が保安について(ア)をすることができる事業用電気工作物の工事、維持及び運用の範囲は、一部の水力設備,火力設備等を除き、電圧(ウ)万V未満の事業用電気工作物(出力(エ)kW以上の発電所を除く。)とする。
上記の記述中の空白箇所(ア)~(エ)に当てはまる組合せとして、正しいものを次の(1)~(5)のうちから一つ選べ。
| ア | イ | ウ | エ | |
|---|---|---|---|---|
| 1 | 作業・検査等 | 従事 | 5 | 5000 |
| 2 | 監督 | 関係 | 3 | 2000 |
| 3 | 作業・検査等 | 関係 | 3 | 2000 |
| 4 | 監督 | 従事 | 5 | 5000 |
| 5 | 作業・検査等 | 従事 | 3 | 2000 |
- 解答
問2
自家用電気工作物の事故が発生したとき、その自家用電気工作物を設置する者は、「電気関係報告規則」に基づき、自家用電気工作物の設置の場所を管轄する産業保安監督部長に報告しなければならない。次の文章は、かかる事故報告に関する記述である。
- 感電又は電気工作物の破損若しくは電気工作物の誤操作若しくは電気工作物を操作しないことにより人が死傷した事故(死亡又は病院若しくは診療所(ア)した場合に限る。)が発生したときは、報告をしなければならない。
- 電気工作物の破損又は電気工作物の誤操作若しくは電気工作物を操作しないことにより、(イ)に損傷を与え、又はその機能の全部又は一部を損なわせた事故が発生したときは、報告をしなければならない。
- 上記a)又はb)の報告は、事故の発生を知ったときから(ウ)時間以内可能な限り速やかに電話等の方法により行うとともに、事故の発生を知った日から起算して30日以内に報告書を提出して行わなければならない
上記の記述中の空白箇所(ア)~(ウ)に当てはまる組合せとして、正しいものを次の(1)~(5)のうちから一つ選べ。
| ア | イ | ウ | |
|---|---|---|---|
| 1 | に入院 | 公共の財産 | 24 |
| 2 | で治療 | 他の物件 | 48 |
| 3 | に入院 | 公共の財産 | 48 |
| 4 | に入院 | 他の物件 | 24 |
| 5 | で治療 | 公共の財産 | 48 |
- 解答
問3
次の文章は、「電気設備技術基準」及び「電気設備技術基準の解釈」に基づく使用電圧が6600Vの交流電路の絶縁性能に関する記述である。
- 電路は、大地から絶縁しなければならない。ただし、構造上やむを得ない場合であって通常予見される使用形態を考慮し危険のおそれがない場合、又は混触による高電圧の侵入等の異常が発生した際の危険を回避するための接地その他の保安上必要な措置を講ずる場合は、この限りでない。電路と大地との間の絶縁性能は、事故時に想定される異常電圧を考慮し、(ア)による危険のおそれがないものでなければならない。
- 電路は、絶縁できないことがやむを得ない部分及び機械器具等の電路を除き、次の①及び②のいずれかに適合する絶縁性能を有すること。
- (イ)Vの交流試験電圧を電路と大地(多心ケーブルにあっては、心線相互間及び心線と大地との間)との間に連続して10分間加えたとき、これに耐える性能を有すること。
- 電線にケーブルを使用する電路においては、(イ)Vの交流試験電圧の(ウ)倍の直流電圧を電路と大地(多心ケーブルにあっては、心線相互間及び心線と大地の間)との間に連続して10分間加えたとき、これに耐える性能を有すること。
上記の記述中の空白箇所(ア)~(ウ)に当てはまる組合せとして、正しいものを次の(1)~(5)のうちから一つ選べ。
| ア | イ | ウ | |
|---|---|---|---|
| 1 | 絶縁破壊 | 9900 | 1.5 |
| 2 | 漏えい電流 | 10350 | 1.5 |
| 3 | 漏えい電流 | 8250 | 2 |
| 4 | 漏えい電流 | 9900 | 1.25 |
| 5 | 絶縁破壊 | 10350 | 2 |
- 解答
問4
次の文章は、「電気設備技術基準」に基づく架空電線路からの静電誘導作用又は電磁誘導作用による感電の防止に関する記述である。
- 特別高圧の架空電線路は、(ア)誘導作用により弱電流電線路(電力保安通信設備を除く。)を通じて(イ)に危害を及ぼすおそれがないように施設しなければならない。
- 特別高圧の架空電線路は、通常の使用状態において、(ウ)誘導作用により人による感知のおそれがないよう、地表上1mにおける電界強度が (エ)kV/m以下になるように施設しなければならない。ただし、田畑、山林その他の人の往来の少ない場所において、(イ)に危害を及ぼすおそれがないように施設する場合は、この限りでない。
上記の記述中の空白箇所(ア)~(エ)に当てはまる組合せとして、正しいものを次の(1)~(5)のうちから一つ選べ。
| ア | イ | ウ | エ | |
|---|---|---|---|---|
| 1 | 電磁 | 人体 | 静電 | 3 |
| 2 | 静電 | 人体 | 電磁 | 3 |
| 3 | 静電 | 人体 | 電磁 | 5 |
| 4 | 静電 | 取扱者 | 電磁 | 5 |
| 5 | 電磁 | 取扱者 | 静電 | 3 |
- 解答
問5
「電気設備技術基準の解釈」に基づく地中電線路の施設に関する記述として、誤っているものを次の(1)~(5)のうちから一つ選べ。
- 地中電線路を管路式により施設する際、電線を収める管は、これに加わる車両その他の重量物の圧力に耐えるものとした。
- 高圧地中電線路を公道の下に管路式により施設する際、地中電線路の物件の名称、管理者名及び許容電流を2mの間隔で表示した。
- 地中電線路を暗きょ式により施設する際、暗きょは、車両その他の重量物の圧力に耐えるものとした。
- 地中電線路を暗きょ式により施設する際、地中電線に耐燃措置を施した。
- 地中電線路を直接埋設式により施設する際、車両の圧力を受けるおそれがある場所であるため、地中電線の埋設深さを1.5mとし、堅ろうなトラフに収めた。
- 解答
問6
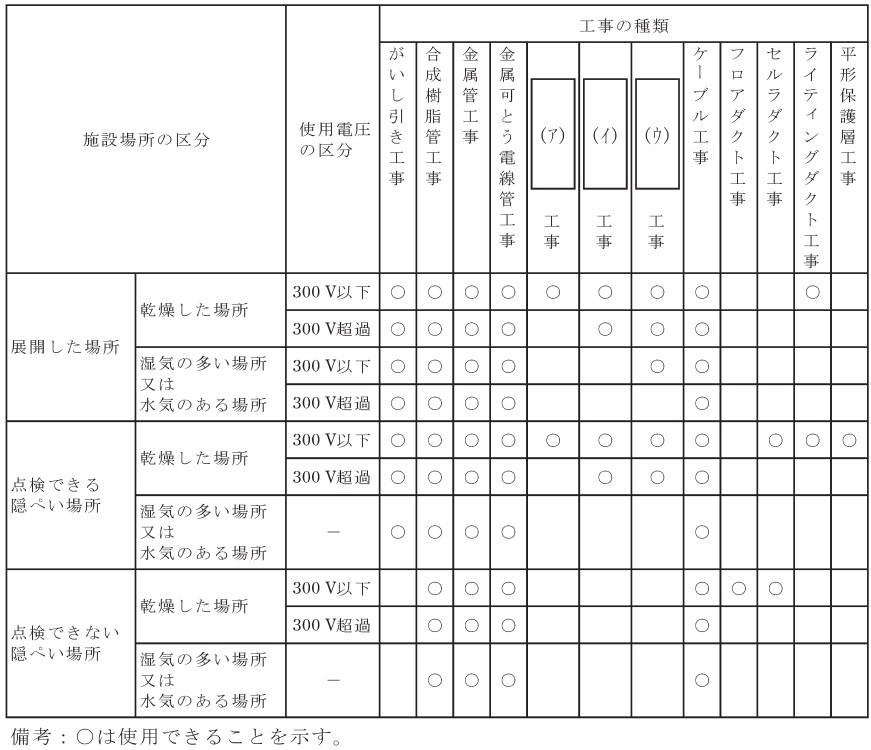
次の文章は、「電気設備技術基準の解釈」に基づく低圧屋内配線の施設場所による工事の種類に関する記述である。
低圧屋内配線は、次の表に規定する工事のいずれかにより施設すること。ただし、ショウウィンドー又はショウケース内、粉じんの多い場所、可燃性ガス等の存在する場所、危険物等の存在する場所及び火薬庫内に低圧屋内配線を施設する場合を除く。
上記の表の空白箇所(ア)~(ウ)に当てはまる組合せとして、正しいものを次の(1)~(5)のうちから一つ選べ。
| ア | イ | ウ | |
|---|---|---|---|
| 1 | 金属線ぴ | 金属ダクト | バスダクト |
| 2 | 金属線ぴ | バスダクト | 金属ダクト |
| 3 | 金属ダクト | 金属線ぴ | バスダクト |
| 4 | 金属ダクト | バスダクト | 金属線ぴ |
| 5 | バスダクト | 金属線ぴ | 金属ダクト |
- 解答
問7
次の文章は、「電気設備技術基準」及び「電気設備技術基準の解釈」に基づく引込線に関する記述である。
- 引込線とは、(ア)及び需要場所の造営物の側面等に施設する電線であって、当該需要場所の(イ)に至るもの
- (ア)とは、架空電線路の支持物から(ウ)を経ずに需要場所の(エ)に至る架空電線
- (オ)とは、引込線のうち一需要場所の引込線から分岐して、支持物を経ないで他の需要場所の(イ)に至る部分の電線
上記の記述中の空白箇所(ア)~(オ)に当てはまる組合せとして、正しいものを次の(1)~(5)のうちから一つ選べ。
| ア | イ | ウ | エ | オ | |
|---|---|---|---|---|---|
| 1 | 架空引込線 | 引込口 | 他の需要場所 | 取付け点 | 連接引込線 |
| 2 | 連接引込線 | 引込口 | 他の需要場所 | 取付け点 | 架空引込線 |
| 3 | 架空引込線 | 引込口 | 他の支持物 | 取付け点 | 連接引込線 |
| 4 | 連接引込線 | 取付け点 | 他の需要場所 | 引込口 | 架空引込線 |
| 5 | 架空引込線 | 取付け点 | 他の支持物 | 引込口 | 連接引込線 |
- 解答
問8
次の文章は、「電気設備技術基準の解釈」に基づく特殊機器等の施設に関する記述である。
- 遊戯用電車(遊園地の構内等において遊戯用のために施設するものであって、人や物を別の場所へ運送することを主な目的としないものをいう。)に電気を供給するために使用する変圧器は、絶縁変圧器であるとともに、その1次側の使用電圧は(ア)V以下であること。
- 電気浴器の電源は、電気用品安全法の適用を受ける電気浴器用電源装置(内蔵されている電源変圧器の2次側電路の使用電圧が(イ)V以下のものに限る。)であること。
- 電気自動車等(カタピラ及びそりを有する軽自動車、大型特殊自動車、小型特殊自動車並びに被牽引自動車を除く。)から供給設備(電力変換装置、保護装置等の電気自動車等から電気を供給する際に必要な設備を収めた筐体等をいう。)を介して、一般用電気工作物に電気を供給する場合、当該電気自動車等の出力は、(ウ)kW未満であること。
上記の記述中の空白箇所(ア)~(ウ)に当てはまる組合せとして、正しいものを次の(1)~(5)のうちから一つ選べ。
| ア | イ | ウ | |
|---|---|---|---|
| 1 | 300 | 10 | 10 |
| 2 | 150 | 5 | 10 |
| 3 | 300 | 5 | 20 |
| 4 | 150 | 10 | 10 |
| 5 | 300 | 10 | 20 |
- 解答
問9
次の文章は、「電気設備技術基準の解釈」における配線器具の施設に関する記述の一部である。
低圧用の配線器具は、次により施設すること。
- (ア)ように施設すること。ただし、取扱者以外の者が出入りできないように措置した場所に施設する場合は、この限りでない。
- 湿気の多い場所又は水気のある場所に施設する場合は、防湿装置を施すこと。
- 配線器具に電線を接続する場合は、ねじ止めその他これと同等以上の効力のある方法により、堅ろうに、かつ、電気的に完全に接続するとともに、接続点に(イ)が加わらないようにすること。
- 屋外において電気機械器具に施設する開閉器、接続器、点滅器その他の器具は、(ウ)おそれがある場合には、これに堅ろうな防護装置を施すこと。
上記の記述中の空白箇所(ア)~(ウ)に当てはまる組合せとして、正しいものを次の(1)~(5)のうちから一つ選べ。
| ア | イ | ウ | |
|---|---|---|---|
| 1 | 充電部分が露出しない | 張力 | 感電の |
| 2 | 取扱者以外の者が容易に 開けることができない |
異常電圧 | 損傷を受ける |
| 3 | 取扱者以外の者が容易に 開けることができない |
張力 | 感電の |
| 4 | 取扱者以外の者が容易に 開けることができない |
異常電圧 | 感電の |
| 5 | 充電部分が露出しない | 張力 | 損傷を受ける |
- 解答
問10
次の文章は、「電気設備技術基準の解釈」に基づく分散型電源の高圧連系時の系統連系用保護装置に関する記述である。
高圧の電力系統に分散型電源を連系する場合は、次により、異常時に分散型電源を自動的に解列するための装置を施設すること。
- 次に掲げる異常を保護リレー等により検出し、分散型電源を自動的に解列すること。
- 分散型電源の異常又は故障
- 連系している電力系統の(ア)
- 分散型電源の単独運転
- (イ)が運用する電力系統において再閉路が行われる場合は、当該再閉路時に、分散型電源が当該電力系統から解列されていること。
- 「逆変換装置を用いて連系する場合」において、「逆潮流有りの場合」の保護リレー等は、次によること。
表に規定する保護リレー等を受電点その他故障の検出が可能な場所に設置すること。
上記の記述中の空白箇所(ア)~(ウ)に当てはまる組合せとして、正しいものを次の(1)~(5)のうちから一つ選べ。
| ア | イ | ウ | |
|---|---|---|---|
| 1 | 短絡事故又は地絡事故 | 一般送配電事業者 | 欠相 |
| 2 | 短絡事故又は地絡事故 | 発電事業者 | 地絡過電圧 |
| 3 | 高低圧混触事故 | 一般送配電事業者 | 地絡過電圧 |
| 4 | 高低圧混触事故 | 発電事業者 | 欠相 |
| 5 | 短絡事故又は地絡事故 | 一般送配電事業者 | 地絡過電圧 |
- 解答
問11
電気工作物に起因する供給支障事故について、次の(a)及び(b)の問に答えよ。
(a)次の記述中の空白箇所(ア)~(エ)に当てはまる組合せとして、正しいものを次の(1)~(5)のうちから一つ選べ。
- 電気事業法第39条(事業用電気工作物の維持)において、事業用電気工作物の損壊により(ア)者の電気の供給に著しい支障を及ぼさないようにすることが規定されている。
- 電気関係報告規則」において、(イ)を設置する者は、(ア)の用に供する電気工作物と電気的に接続されている電圧(ウ)V以上の(イ)の破損又は(イ)の誤操作若しくは(イ)を操作しないことにより(ア)者に供給支障を発生させた場合、電気工作物の設置の場所を管轄する産業保安監督部長に事故報告をしなければならないことが規定されている。
- 図1に示す高圧配電系統により高圧需要家が受電している。事故点1、事故点2又は事故点3のいずれかで短絡等により高圧配電系統に供給支障が発した場合、2の報告対象となるのは(エ)である。
| ア | イ | ウ | エ | |
|---|---|---|---|---|
| 1 | 一般送配電事業 | 自家用電気工作物 | 6000 | 事故点1又は事故点2 |
| 2 | 送電事業 | 事業用電気工作物 | 3000 | 事故点1又は事故点3 |
| 3 | 一般送配電事業 | 事業用電気工作物 | 6000 | 事故点2又は事故点3 |
| 4 | 送電事業 | 事業用電気工作物 | 6000 | 事故点1又は事故点2 |
| 5 | 一般送配電事業 | 自家用電気工作物 | 3000 | 事故点2又は事故点3 |
- 解答
(b)次の記述中の空白箇所(ア)~(エ)に当てはまる組合せとして、正しいものを次の(1)~(5)のうちから一つ選べ。
- 受電設備を含む配電系統において、過負荷又は短絡あるいは地絡が生じたとき、供給支障の拡大を防ぐため、事故点直近上位の遮断器のみが動作し、他の遮断器は動作しないとき、これらの遮断器の間では(ア)がとられているという。
- 図2は、図1の高圧需要家の事故点2又は事故点3で短絡が発生した場合の過電流と遮断器(遮断器A及び遮断器B)の継電器動作時間の関係を示したものである。(ア)がとられている場合、遮断器Bの継電器動作特性曲線は、(イ)である。
- 図3は、図1の高圧需要家の事故点2で地絡が発生した場合の零相電流と遮断器(遮断器A及び遮断器B)の継電器動作時間の関係を示したものである。(ア)がとられている場合、遮断器Bの継電器動作特性曲線は、(ウ)である。また、地絡の発生箇所が零相変流器より負荷側か電源側かを判別するため(エ)の使用は推奨されている。
| ア | イ | ウ | エ | |
|---|---|---|---|---|
| 1 | 同期協調 | 曲線2 | 曲線3 | 地絡距離継電器 |
| 2 | 同期協調 | 曲線1 | 曲線3 | 地絡方向継電器 |
| 3 | 保護協調 | 曲線1 | 曲線4 | 地絡距離継電器 |
| 4 | 保護協調 | 曲線2 | 曲線4 | 地絡方向継電器 |
| 5 | 保護協調 | 曲線2 | 曲線3 | 地絡距離継電器 |
- 解答
問12
次の文章は、「電気設備技術基準の解釈」に基づく変圧器の電路の絶縁耐力試験に関する記述である。
変圧器(放電灯用変圧器、エックス線管用変圧器等の変圧器、及び特殊用途のものを除く。)の電路は、次のいずれかに適合する絶縁性能を有すること。
- 表の中欄に規定する試験電圧を、同表の右欄で規定する試験方法で加えたとき、これに耐える性能を有すること。
- 日本電気技術規格委員会規格JESCE7001(2018)「電路の絶縁耐力の確認方法」の「3.2変圧器の電路の絶縁耐力の確認方法」により絶縁耐力を確認したものであること。
上記の記述に関して、次の(a)及び(b)の問に答えよ。
(a)表中の空白箇所(ア)~(エ)に当てはまる組合せとして、正しいものを次の(1)~(5)のうちから一つ選べ。
| ア | イ | ウ | エ | |
|---|---|---|---|---|
| 1 | 6900 | 1.1 | 500 | 1.25 |
| 2 | 6950 | 1.25 | 600 | 1.5 |
| 3 | 7000 | 1.5 | 600 | 1.25 |
| 4 | 7000 | 1.5 | 500 | 1.25 |
| 5 | 7200 | 1.75 | 500 | 1.75 |
- 解答
(b)公称電圧22000Vの電線路に接続して使用される受電用変圧器の絶縁耐力試験を、表の記載に基づき実施する場合の試験電圧の値[V]として、最も近いものを次の(1)~(5)のうちから一つ選べ。
- 28750
- 30250
- 34500
- 36300
- 38500
- 解答
問13
図に示すように、高調波発生機器と高圧進相コンデンサ設備を設置した高圧需要家が配電線インピーダンスZsを介して6.6kV配電系統から受電しているとする。
コンデンサ設備は直列リアクトルSR及びコンデンサSCで構成されているとし、高調波発生機器からは第5次高調波電流I₅が発生するものとして、次の(a)及び(b)の問に答えよ。
ただしZs、SR、SCの基本波周波数に対するそれぞれのインピーダンス Żs₁ 、Żsʀ₁ 、Żsc₁の値は次のとおりとする。
Żs₁=j4.4Ω 、Żsʀ₁=j3.3Ω 、Żsc₁=-j545Ω
(a)系統に流出する高調波電流は高調波に対するコンデンサ設備インピーダンスと配電線インピーダンスの値により決まる。
Zs、SR、SCの第5次高調波に対するそれぞれのインピーダンス Żs₅、Żsʀ₅、Żsc₅の値[Ω]の組合せとして、最も近いものを次の(1)~(5)のうちから一つ選べ。
| Żs₅ | Żsʀ₅ | Żsc₅ | |
|---|---|---|---|
| 1 | j22 | j165 | -j2725 |
| 2 | j9.8 | j73.8 | -j1218.7 |
| 3 | j9.8 | j73.8 | -j243.7 |
| 4 | j110 | j825 | -j21.8 |
| 5 | j22 | j165 | -j109 |
- 解答
(b)「高圧又は特別高圧で受電する需要家の高調波抑制対策ガイドライン」では需要家から系統に流出する高調波電流の上限値が示されており、6.6kV系統への第5次高調波電流の流出電流上限値は契約電力1kW当たり3.5mAとなっている。
今、需要家の契約電力は250kWとし、上記ガイドラインに従うものとする。
このとき、高調波発生機器から発生する第5次高調波電流I₅の上限値(6.6kV配電系統換算値)の値[A] として、最も近いものを次の(1)~(5)のうちから一つ選べ。
ただし、高調波発生機器からの高調波は第5次高調波電流のみとし、その他の高調波及び記載以外のインピーダンスは無視するものとする。
なお、上記ガイドラインの実際の適用に当たっては、需要形態による適用緩和措置、高調波発生機器の種類、稼働率などを考慮する必要があるが、ここではこれらは考慮せず流出電流上限値のみを適用するものとする。
- 0.6
- 0.8
- 1.0
- 1.2
- 2.2
- 解答
合計得点