問1
次の文章は,電気事業法に基づく保安規程に関する記述である。
保安規程は,電気設備規模等によって記載内容が異なり,特定発電用電気工作物の小売電気事業等用接続最大電力の合計が,(ア)万kW(沖縄電力株式会社の供給域内にあっては10万kW)を超える大規模な事業者の場合には保安規程に記載すべき事項が多くなっている。
空欄(ア)と上記の大規模な事業者のみが保安規程に記載すべき事項の組合せとして,正しいものを次の(1)~(5)のうちから一つ選べ。
| ア | 大規模な事業者のみが保安規程に記載すべき事項 | |
|---|---|---|
| 1 | 100 | 発電所の運転を相当期間停止する場合における保全の方法に関すること。 |
| 2 | 200 | 保安規程の定期的な点検及びその必要な改善に関すること。 |
| 3 | 100 | 事業用電気工作物の工事、維持又は運用に関する業務を管理する者の職務及び組織に関すること。 |
| 4 | 60 | 発電所の運転を相当期間停止する場合における保全の方法に関すること。 |
| 5 | 200 | 事業用電気工作物の工事、維持又は運用に関する業務を管理する者の職務及び組織に関すること。 |
- 解答
問2
電気設備の安全を確保するためには,「電気設備技術基準」への適合を確認する必要がある。「電気設備技術基準」に規定されているものとして,正しいものを次の(1)~(5)のうちから一つ選べ。
- 船舶の客室屋内配線
- 乾電池使用のEMS(電気的筋肉刺激器)
- 航空機に搭載される発電機
- 電気浴器
- 自動車の24Vオルタネータ(交流発電機)
- 解答
問3
次の文章は,「電気設備技術基準」における高圧又は特別高圧の電気機械器具の危険の防止に関する記述である。
a) 高圧又は特別高圧の電気機械器具は,(ア)以外の者が容易に触れるおそれがないように施設しなければならない。ただし,接触による危険のおそれがない場合は,この限りでない。
b) 高圧又は特別高圧の開閉器,遮断器,避雷器その他これらに類する器具であって,動作時に(イ)を生ずるものは,火災のおそれがないよう,木製の壁又は天井その他の(ウ)の物から離して施設しなければならない。ただし,(エ)の物で両者の間を隔離した場合は,この限りでない。
上記の記述中の空白箇所(ア)~(エ)に当てはまる組合せとして,正しいものを次の(1)~(5)のうちから一つ選べ。
| ア | イ | ウ | エ | |
|---|---|---|---|---|
| 1 | 取扱者 | 過電圧 | 可燃性 | 難燃性 |
| 2 | 技術者 | アーク | 可燃性 | 耐火性 |
| 3 | 取扱者 | 過電圧 | 耐火性 | 難燃性 |
| 4 | 技術者 | アーク | 耐火性 | 難燃性 |
| 5 | 取扱者 | アーク | 可燃性 | 耐火性 |
- 解答
問4
次の文章は,「電気設備技術基準」及び「電気設備技術基準の解釈」に基づく電気供給のための電気設備の施設に関する記述である。
架空電線,架空電力保安通信線及び架空電車線は,(ア)又は(イ)による感電のおそれがなく,かつ,交通に支障を及ぼすおそれがない高さに施設しなければならない。
低圧架空電線又は高圧架空電線の高さは,道路(車両の往来がまれであるもの及び歩行の用にのみ供される部分を除く。)を横断する場合,路面上(ウ)m以上にしなければならない。
上記の記述中の空白箇所(ア)~(ウ)に当てはまる組合せとして,正しいものを次の(1)~(5)のうちから一つ選べ。
| ア | イ | ウ | |
|---|---|---|---|
| 1 | 通電 | アーク | 6 |
| 2 | 接触 | 誘導作用 | 6 |
| 3 | 通電 | 誘導作用 | 5 |
| 4 | 接触 | 誘導作用 | 5 |
| 5 | 通電 | アーク | 5 |
- 解答
問5
次の文章は,「電気設備技術基準の解釈」に基づく低高圧架空電線等の併架に関する記述の一部である。
低圧架空電線と高圧架空電線とを同一支持物に施設する場合は,次のいずれかによること。
a) 次により施設すること。
- 低圧架空電線を高圧架空電線の(ア)に施設すること。
- 低圧架空電線と高圧架空電線は,別個の(イ)に施設すること。
- 低圧架空電線と高圧架空電線との離隔距離は,(ウ)m以上であること。ただし,かど柱,分岐柱等で混触のおそれがないように施設する場合は,この限りでない。
b) 高圧架空電線にケーブルを使用するとともに,高圧架空電線と低圧架空電線との離隔距離を(エ)m以上とすること。
上記の記述中の空白箇所(ア)~(エ)に当てはまる組合せとして,正しいものを次の(1)~(5)のうちから一つ選べ。
| ア | イ | ウ | エ | |
|---|---|---|---|---|
| 1 | 上 | 支持物 | 0.5 | 0.5 |
| 2 | 上 | 支持物 | 0.5 | 0.3 |
| 3 | 下 | 支持物 | 0.5 | 0.5 |
| 4 | 下 | 腕金類 | 0.5 | 0.3 |
| 5 | 下 | 腕金類 | 0.3 | 0.5 |
- 解答
問6
次の文章は,「電気設備技術基準の解釈」に基づく高圧屋内配線に関する記述である。
高圧屋内配線は, (ア)工事(乾燥した場所であって展開した場所に限る。)又はケーブル工事により施設すること。
ケーブル工事による高圧屋内配線で,防護装置としての金属管にケーブルを収めて施設する場合には,その管に(イ)接地工事を施すこと。ただし,接触防護措置(金属製のものであって,防護措置を施す設備と電気的に接続するおそれがあるもので防護する方法を除く。)を施す場合は,D種接地工事によることができる。
高圧屋内配線が,他の高圧屋内配線,低圧屋内配線,管灯回路の配線,弱電流電線等又は水管,ガス管若しくはこれらに類するもの(以下この問において「他の屋内電線等」という。)と接近又は交差する場合は,次のa),b) のいずれかによること。
a) 高圧屋内配線と他の屋内電線等との離隔距離は,(ウ)((ア) 工事により施設する低圧屋内電線が裸電線である場合は,30cm)以上であること。
b) 高圧屋内配線をケーブル工事により施設する場合においては,次のいずれかによること。
- ケーブルと他の屋内電線等との間に(エ)のある堅ろうな隔壁を設けること。
- ケーブルを(エ)のある堅ろうな管に収めること。
- 他の高圧屋内配線の電線がケーブルであること。
上記の記述中の空白箇所(ア)~(エ)に当てはまる組合せとして,正しいものを次の(1)~(5)のうちから一つ選べ。
| ア | イ | ウ | エ | |
|---|---|---|---|---|
| 1 | がいし引き | A種 | 15cm | 耐火性 |
| 2 | 合成樹脂管 | C種 | 25cm | 耐火性 |
| 3 | がいし引き | C種 | 15cm | 難燃性 |
| 4 | 合成樹脂管 | A種 | 25cm | 難燃性 |
| 5 | がいし引き | A種 | 15cm | 難燃性 |
- 解答
問7
次の文章は,「電気設備技術基準の解釈」に基づく低圧屋内配線の金属ダクト工事に関する記述である。
- ダクトに収める絶縁電線の断面積(絶縁被覆の断面積を含む。)の総和は,ダクトの内部断面積の(ア)%以下であること。ただし,電光サイン装置,出退表示灯その他これらに類する装置又は制御回路等(自動制御回路,遠方操作回路,遠方監視装置の信号回路その他これらに類する電気回路をいう。)の配線のみを収める場合は,(イ)%以下とすることができる。
- ダクト相互は,堅ろうに,かつ,(ウ)に完全に接続すること。
- ダクトを造営材に取り付ける場合は,ダクトの支持点間の距離を3m(取扱者以外の者が出入りできないように措置した場所において,垂直に取り付ける場合は,6m)以下とし,堅ろうに取り付けること。
- 低圧屋内配線の(エ)電圧が300V以下の場合は,ダクトには,D種接地工事を施すこと。
- 低圧屋内配線の(エ)電圧が300Vを超える場合は,ダクトには,C種接地工事を施すこと。ただし,(オ)防護措置(金属製のものであって,防護措置を施すダクトと(ウ)に接続するおそれがあるもので防護する方法を除く。)を施す場合は,D種接地工事によることができる。
上記の記述中の空白箇所(ア)~(オ)に当てはまる組合せとして,正しいものを次の(1)~(5)のうちから一つ選べ。
| ア | イ | ウ | エ | オ | |
|---|---|---|---|---|---|
| 1 | 20 | 50 | 電気的 | 使用 | 接触 |
| 2 | 32 | 48 | 電気的 | 対地 | 簡易接触 |
| 3 | 32 | 48 | 機械的 | 使用 | 接触 |
| 4 | 32 | 48 | 機械的 | 使用 | 簡易接触 |
| 5 | 20 | 50 | 電気的 | 対地 | 簡易接触 |
- 解答
問8
次の文章は,「電気設備技術基準の解釈」に基づく分散型電源の系統連系設備に関する記述である。
a)逆変換装置を用いて分散型電源を電力系統に連系する場合は,逆変換装置から直流が電力系統へ流出することを防止するために,受電点と逆変換装置との間に変圧器(単巻変圧器を除く)を施設すること。ただし,次の①及び②に適合する場合は,この限りでない。
①逆変換装置の交流出力側で直流を検出し,かつ,直流検出時に交流出力を(ア)する機能を有すること。
②次のいずれかに適合すること。
・逆変換装置の直流側電路が(イ)であること
・逆変換装置に(ウ)を用いていること。
b)分散型電源の連系により,一般送配電事業者が運用する電力系統の短絡容量が,当該分散型電源設置者以外の者が設置する遮断器の遮断容量又は電線の瞬時許容電流等を上回るおそれがあるときは,分散型電源設置者において,限流リアクトルその他の短絡電流を制限する装置を施設すること。ただし,(エ)の電力系統に逆変換装置を用いて分散型電源を連系する場合は,この限りでない。
上記の記述中の空白箇所(ア)~(エ)に当てはまる組合せとして,正しいものを次の(1)~(5)のうちから一つ選べ。
| ア | イ | ウ | エ | |
|---|---|---|---|---|
| 1 | 停止 | 中性点接地式電路 | 高周波変圧器 | 低圧 |
| 2 | 抑制 | 中性点接地式電路 | 高周波チョッパ | 高圧 |
| 3 | 停止 | 非接地式電路 | 高周波変圧器 | 高圧 |
| 4 | 停止 | 非接地式電路 | 高周波変圧器 | 低圧 |
| 5 | 抑制 | 非接地式電路 | 高周波チョッパ | 低圧 |
- 解答
問9
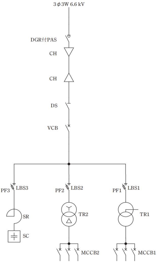
次の文章は,図に示す高圧受電設備において全停電作業を実施するときの操作手順の一例について,その一部を述べたものである。
a)(ア)を全て開放する。
b)(イ)を開放する。
c)地絡方向継電装置付高圧交流負荷開閉器(DGR付PAS)を開放する。
d)(ウ)を開放する。
e)断路器(DS)の電源側及び負荷側を検電して無電圧を確認する。
f)高圧電路に接地金具等を接続して残留電荷を放電させた後,誤通電,他の電路との混触又は他の電路からの誘導による感電の危険を防止するため,断路器(DS)の(エ)に短絡接地器具を取り付けて接地する。
g)断路器(DS),開閉器等にはそれぞれ操作後速やかに,操作禁止,投入禁止,通電禁止等の通電を禁止する表示をする。
上記の記述中の空白箇所(ア)~(エ)に当てはまる組合せとして,正しいものを次の(1)~(5)のうちから一つ選べ。
| ア | イ | ウ | エ | |
|---|---|---|---|---|
| 1 | 負荷開閉器(LBS) | 断路器(DS) | 真空遮断器(VCB) | 負荷側 |
| 2 | 配線用遮断器(MCCB) | 断路器(DS) | 真空遮断器(VCB) | 負荷側 |
| 3 | 配線用遮断器(MCCB) | 真空遮断器(VCB) | 断路器(DS) | 電源側 |
| 4 | 負荷開閉器(LBS) | 断路器(DS) | 真空遮断器(VCB) | 電源側 |
| 5 | 負荷開閉器(LBS) | 真空遮断器(VCB) | 断路器(DS) | 負荷側 |
- 解答
問10
次の文章は,電気事業法及び電気事業法施行規則に基づく広域的運営に関する記述である。
電気事業者は,毎年度,電気の供給並びに電気工作物の設置及び運用についての(ア)を作成し,電力広域的運営推進機関(OCCTO)を経由して経済産業大臣に届け出なければならない。
具体的には,直近年における(イ)見通し,発電,受電(融通を含む。)等の短期的な内容に関するものと,長期(イ)見通し,電気工作物の(ウ)及びその概要,あるいは他者の電源からの長期安定的な調達等長期的な内容に関するものとがある。
また,電気事業者は,電源開発の実施,電気の供給等その事業の遂行に当たり,広域的運営による電気の(エ)のために,相互に協調しなければならないことが定められている。
広域的運営による相互協調の具体的な例として,A地方に太陽電池発電や風力発電などの発電量を調整できない再生可能エネルギーが大量に導入された場合において,A地方における電圧,周波数を維持する観点から,A地方で消費しきれない電気を隣接するB地方に融通するといった(オ)事業者間の広域運営による相互協調がある。
上記の記述中の空白箇所(ア)~(オ)に当てはまる組合せとして,正しいものを次の(1)~(5)のうちから一つ選べ。
| ア | イ | ウ | エ | オ | |
|---|---|---|---|---|---|
| 1 | 供給計画 | 経営 | 新増設 | コスト低減 | 一般送配電 |
| 2 | 需要計画 | 需要 | 新増設 | コスト低減 | 発電 |
| 3 | 供給計画 | 需要 | 新増設 | 安定供給 | 一般送配電 |
| 4 | 需要計画 | 経営 | 補修計画 | コスト低減 | 発電 |
| 5 | 供給計画 | 需要 | 補修計画 | 安定供給 | 発電 |
- 解答
問11
高圧架空電線において,電線に硬銅線を使用して架設する場合,電線の設計に伴う許容引張荷重と弛度について,次の(a)及び(b)の問に答えよ。
ただし,径間S[m],電線の引張強さT[kN],電線の重量による垂直荷重と風圧による水平荷重の合成荷重がW[kN/m]とする。
(a) 「電気設備技術基準の解釈」によれば,規定する荷重が加わる場合における電線の引張強さに対する安全率が,R以上となるような弛度に施設しなければならない。この場合Rの値として,正しいものを次の(1)~(5)のうちから一つ選べ。
- 1.5
- 1.8
- 2.0
- 2.2
- 2.5
- 解答
(b) 弛度の計算において,最小の弛度を求める場合の許容引張荷重[kN]として,正しい式を次の(1)~(5)のうちから一つ選べ。
- 解答
問12
定格容量500kV⋅A,無負荷損500W,負荷損(定格電流通電時)6700Wの変圧器を更新する。更新後の変圧器はトップランナー制度に適合した変圧器で,変圧器の容量,電圧及び周波数仕様は従来器と同じであるが,無負荷損は150W,省エネ基準達成率は140%である。
このとき,次の(a)及び(b)の問に答えよ。
ただし,省エネ基準達成率は次式で与えられるものとする。
ここで,基準エネルギー消費効率注)は1250Wとし, Wiは無負荷損[W],Wc40は負荷率40%時の負荷損[W]とする。
注)基準エネルギー消費効率とは判断の基準となる全損失をいう。
(a) 更新後の変圧器の負荷損(定格電流通電時)の値[W]として、最も近いものを次の(1)~(5)のうちから一つ選べ。
- 1860
- 2450
- 3080
- 3820
- 4640
- 解答
(b) 変圧器の出力電圧が定格状態で,300kW遅れ力率 0.8の負荷が接続されているときの更新前後の変圧器の損失を考えてみる。この状態での更新前の変圧器の全損失をW1,更新後の変圧器の全損失を W2とすると,W2のW1に対する比率[%]として,最も近いものを次の(1)~(5)のうちから一つ選べ。ただし,電圧変動による無負荷損への影響は無視できるものとする。
- 45
- 54
- 65
- 78
- 85
- 解答
問13
図に示すような,相電圧R[V], S[V], T[V], 角周波数ω[rad/s]の対称三相3線式高圧電路があり,変圧器の中性点は非接地方式とする。電路の一相当たりの対地静電容量をC[F]とする。この電路のR相のみが絶縁抵抗値RG[Ω]に低下した。このとき,次の(a)及び(b)の問に答えよ。ただし,上記以外のインピーダンスは無視するものとする。
(a) 次の文章は,絶縁抵抗 RG[Ω]を流れる電流 G[A] を求める記述である。RGを取り除いた場合a−b間の電圧 ab=(ア)a−b間より見たインピーダンス abは,変圧器の内部インピーダンスを無視すれば, ab=(イ)となる。ゆえに,RG を接続したとき,RGに流れる電流 Gは,次式となる。
G= =(ウ)
上記の記述中の空白箇所(ア)~(ウ)に当てはまる組合せとして,正しいものを次の(1)~(5)のうちから一つ選べ。
| ア | イ | ウ | |
|---|---|---|---|
| 1 | |||
| 2 | |||
| 3 | |||
| 4 | |||
| 5 |
(b) 次の文章は,変圧器の中性点O点に現れる電圧 [V]を求める記述である。
(エ)
ゆえに (オ)
上記の記述中の空白箇所(エ)及び(オ)に当てはまる組合せとして,正しいものを次の(1)~(5)のうちから一つ選べ。
| エ | オ | |
|---|---|---|
| 1 | ||
| 2 | ||
| 3 | ||
| 4 | ||
| 5 |
- 解答
合計得点