問1
次の文章は,平行板コンデンサに関する記述である。
図のように,同じ寸法の直方体で誘電率の異なる二つの誘電体(比誘電率𝜀r₁の誘電体1と比誘電率𝜀r₂の誘電体2)が平行板コンデンサに充填されている。極板間は一定の電圧𝑉[V]に保たれ,極板Aと極板Bにはそれぞれ+𝑄[C]と−𝑄[C](𝑄>0)の電荷が蓄えられている。誘電体1と誘電体2は平面で接しており,その境界面は極板に対して垂直である。ただし,端効果は無視できるものとする。
この平行板コンデンサにおいて,極板A,Bに平行な誘電体1,誘電体2の断面をそれぞれ面S₁,面S₂(面S₁と面S₂の断面積は等しい)とすると,面S₁を貫く電気力線の総数(任意の点の電気力線の密度は,その点での電界の大きさを表す)は,面S₂を貫く電気力線の総数の(ア)倍である。面S₁を貫く電束の総数は面S₂を貫く電束の総数の(イ)倍であり,面S₁と面S₂を貫く電束の数の総和は(ウ)である。
上記の記述中の空白箇所(ア)~(ウ)に当てはまる組合せとして,正しいものを次の(1)~(5)のうちから一つ選べ。
- 解答
問2
二つの導体小球がそれぞれ電荷を帯びており,真空中で十分な距離を隔てて保持されている。ここで,真空の空間を,比誘電率2の絶縁体の液体で満たしたとき,小球の間に作用する静電力に関する記述として,正しいものを次の(1)~(5)うちから一つ選べ。
- 液体で満たすことで静電力の向きも大きさも変わらない。
- 液体で満たすことで静電力の向きは変わらず,大きさは2倍になる。
- 液体で満たすことで静電力の向きは変わらず,大きさは1/2倍になる。
- 液体で満たすことで静電力の向きは変わらず,大きさは1/4倍になる。
- 液体で満たすことで静電力の向きは逆になり,大きさは変わらない。
- 解答
問3
次の文章は,強磁性体の応用に関する記述である。
磁界中に強磁性体を置くと,周囲の磁束は,磁束が(ア)強磁性体の(イ)を通るようになる。このとき,強磁性体を中空にしておくと,中空の部分には外部の磁界の影響がほとんど及ばない。このように,強磁性体でまわりを囲んで,磁界の影響が及ばないようにすることを(ウ)という。
上記の記述中の空白箇所(ア)~(ウ)に当てはまる組合せとして,正しいものを次の(1)~(5)のうちから一つ選べ。
| (ア) | (イ) | (ウ) | |
|---|---|---|---|
| 1 | 通りにくい | 内部 | 磁気遮へい |
| 2 | 通りにくい | 外部 | 磁気遮へい |
| 3 | 通りにくい | 外部 | 静電遮へい |
| 4 | 通りやすい | 内部 | 磁気遮へい |
| 5 | 通りやすい | 内部 | 静電遮へい |
- 解答
問4
次の文章は,電磁誘導に関する記述である。
図のように,コイルと磁石を配置し,磁石の磁束がコイルを貫いている。
- スイッチ S を閉じた状態で磁石をコイルに近づけると,コイルには(ア)の向きに電流が流れる。
- コイルの巻数が200であるとする。スイッチSを開いた状態でコイルの断面を貫く磁束を0.5sの間に10mWbだけ直線的に増加させると,磁束鎖交数は(イ)Wbだけ変化する。また,この0.5sの間にコイルに発生する誘導起電力の大きさは(ウ)Vとなる。ただし,コイル断面の位置によらずコイルの磁束は一定とする。
上記の記述中の空白箇所(ア)~(ウ)に当てはまる組合せとして,正しいものを次の(1)~(5)のうちから一つ選べ。
| (ア) | (イ) | (ウ) | |
|---|---|---|---|
| 1 | ① | 2 | 2 |
| 2 | ① | 2 | 4 |
| 3 | ① | 0.01 | 2 |
| 4 | ② | 2 | 4 |
| 5 | ② | 0.01 | 2 |
- 解答
問5
次の文章は,熱電対に関する記述である。
熱電対の二つの接合点に温度差を与えると,起電力が発生する。この現象を(ア)効果といい,このとき発生する起電力を(イ)起電力という。熱電対の接合点の温度の高いほうを(ウ)接点,低いほうを(エ)接点という。
| (ア) | (イ) | (ウ) | (エ) | |
|---|---|---|---|---|
| 1 | ゼーベック | 熱 | 温 | 冷 |
| 2 | ゼーベック | 熱 | 高 | 低 |
| 3 | ペルチェ | 誘導 | 高 | 低 |
| 4 | ペルチェ | 熱 | 温 | 冷 |
| 5 | ペルチェ | 誘導 | 温 | 冷 |
- 解答
問6
直流の出力電流又は出力電圧が常に一定の値になるように制御された電源を直流安定化電源と呼ぶ。直流安定化電源の出力電流や出力電圧にはそれぞれ上限値があり,一定電流(定電流モード)又は一定電圧(定電圧モード)で制御されている際に負荷の変化によってどちらかの上限値を超えると,定電流モードと定電圧モードとの間で切り替わる。
図のように,直流安定化電源(上限値:100A,20V),三つの抵抗(R₁=R₂=0.1Ω,R₃=0.8Ω),二つのスイッチ(SW₁,SW₂)で構成されている回路がある。両スイッチを閉じ,回路を流れる電流𝐼=100Aの定電流モードを維持している状態において,時刻𝑡=𝑡₁[s]でSW₁を開き,時刻𝑡=𝑡₂[s]でSW₂を開くとき,𝐼[A]の波形として,正しいものを次の(1)~(5)のうちから一つ選べ。
- 解答
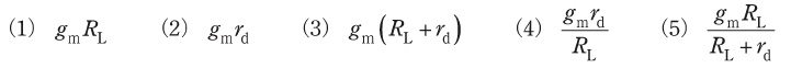
問7
図のように,起電力E[V],内部抵抗r[Ω]の電池n個と可変抵抗R[Ω]を直列に接続した回路がある。この回路において,可変抵抗R[Ω]で消費される電力が最大になるようにその値[Ω]を調整した。このとき,回路に流れる電流Iの値[A]を表す式として,正しいものを次の(1)~(5)のうちから一つ選べ。
- 解答
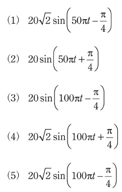
問8
図1の回路において,図2のような波形の正弦波交流電圧𝑣[V]を抵抗5Ωに加えたとき,回路を流れる電流の瞬時値𝑖[A]を表す式として,正しいものを次の(1)~(5)のうちから一つ選べ。ただし,電源の周波数を50Hz,角周波数を𝜔[rad/s],時間を𝑡[s]とする。
- 解答
問9
実効値𝑉[V],角周波数𝜔[rad/s]の交流電圧源,R[Ω]の抵抗R,インダクタンス𝐿[H]のコイルL,静電容量C[F]のコンデンサCからなる共振回路に関する記述として,正しいものと誤りのものの組合せとして,正しいものを次の(1)~(5)のうちから一つ選べ。
(a) RLC直列回路の共振状態において,LとCの端子間電圧の大きさはともに0である。
(b) RLC並列回路の共振状態において,LとCに電流は流れない。
(c) RLC直列回路の共振状態において交流電圧源を流れる電流は,RLC並列回路の共振状態において交流電圧源を流れる電流と等しい。
| (a) | (b) | (c) | |
|---|---|---|---|
| 1 | 誤り | 誤り | 正しい |
| 2 | 誤り | 正しい | 誤り |
| 3 | 正しい | 誤り | 誤り |
| 4 | 誤り | 誤り | 誤り |
| 5 | 正しい | 正しい | 正しい |
- 解答
問10
開放電圧が𝑉[V]で出力抵抗が十分に低い直流電圧源と,インダクタンスが𝐿[H]のコイルが与えられ,抵抗R[Ω]が図1のようにスイッチSを介して接続されている。時刻𝑡=0でスイッチSを閉じ,コイルの電流iʟ[A]の時間に対する変化を計測して,波形として表す。R=1Ωとしたところ,波形が図2であったとする。R=2Ωであればどのような波形となるか,波形の変化を最も適切に表すものを次の(1)~(5)のうちから一つ選べ。
ただし,選択肢の図中の点線は図2と同じ波形を表し,実線はR=2Ωのときの波形を表している。
- 解答
問11
半導体に関する記述として,正しいものを次の(1)~(5)のうちから一つ選べ。
- ゲルマニウム(Ge)やインジウムリン(InP)は単元素の半導体であり,シリコン(Si)やガリウムヒ素(GaAs)は化合物半導体である。
- 半導体内でキャリヤの濃度が一様でない場合,拡散電流の大きさはそのキャリヤの濃度勾配にほぼ比例する。
- 真性半導体に不純物を加えるとキャリヤの濃度は変わるが,抵抗率は変化しない。
- 真性半導体に光を当てたり熱を加えたりしても電子や正孔は発生しない。
- 半導体に電界を加えると流れる電流はドリフト電流と呼ばれ,その大きさは電界の大きさに反比例する。
- 解答
問12
図のように,x方向の平等電界E[V/m],y方向の平等磁界H[A/m]が存在する真空の空間において,電荷−e[C],質量m[kg]をもつ電子がz方向の初速度v[m/s]で放出された。この電子が等速直線運動をするとき,vを表す式として,正しいものを次の(1)~(5)のうちから一つ選べ。
ただし,真空の誘電率をε₀[F/m],真空の透磁率をμ₀[H/m]とし,重力の影響を無視する。
また,電子の質量は変化しないものとする。図中の⊙は紙面に垂直かつ手前の向きを表す。
- 解答
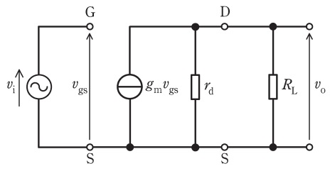
問13
図は,電界効果トランジスタ( FET )を用いたソース接地増幅回路の簡易小信号交流等価回路である。この回路の電圧増幅度 Av=
を近似する式として,正しいものを次の(1)~(5)のうちから一つ選べ。
ただし,図中のS,G,Dはそれぞれソース,ゲート,ドレインであり,𝑣ᵢ[V],𝑣₀[V],𝑣𝚐ꜱ[V]は各部の電圧,ℊ𝗆[S]はFETの相互コンダクタンスである。また,抵抗r𝚍[Ω]は抵抗Rʟ[Ω]に比べて十分大きいものとする。
- 解答
問14
図のブリッジ回路を用いて,未知の抵抗の値Rx[Ω]を推定したい。可変抵抗R₃を調整して,検流計に電流が流れない状態を探し,平衡条件を満足するRx[Ω]の値を求める。求めた値が真値と異なる原因が,Rᴋ(ᴋ=1,2,3)の真値からの誤差ΔRᴋのみである場合を考え,それらの誤差率𝜀ᴋ=
が次の値であったとき,Rxの誤差率として,最も近いものを次の(1)~(5)のうちから一つ選べ。
𝜀1=0.01,𝜀2=−0.01,𝜀3=0.02
- 0.0001
- 0.01
- 0.02
- 0.03
- 0.04
- 解答
問15
図のように,線間電圧400Vの対称三相交流電源に抵抗R[Ω]と誘導性リアクタンス𝑋[Ω]からなる平衡三相負荷が接続されている。平衡三相負荷の全消費電力は6kWであり,これに線電流I=10Aが流れている。電源と負荷との間には,変流比20:5の変流器がa相及びc相に挿入され,これらの二次側が交流電流計を通して並列に接続されている。この回路について,次の(a)及び(b)の問に答えよ。
(a) 交流電流計の指示値[A]として,最も近いものを次の(1)~(5)のうちから一つ選べ。
- 0
- 2.50
- 4.33
- 5.00
- 40.0
- 解答
(b) 誘導性リアクタンスXの値[Ω]として,最も近いものを次の(1)~(5)のうちから一つ選べ。
- 11.5
- 20.0
- 23.1
- 34.6
- 60.0
- 解答
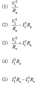
問16
図のように,電源𝐸[V],負荷抵抗R[Ω],内部抵抗Rv[kΩ]の電圧計及び内部抵抗Ra[Ω]の電流計を接続した回路がある。この回路において,電圧計及び電流計の指示値がそれぞれ𝑉₁[V],𝐼₁[A]であるとき,次の(a)及び(b)の問に答えよ。ただし,電圧計と電流計の指示値の積を負荷抵抗R[Ω]の消費電力の測定値とする。
(a) 電流計の電力損失の値[W]を表す式として,正しいものを次の(1)~(5)のうちから一つ選べ。
- 解答
(b) 今,負荷抵抗R=320Ω,電流計の内部抵抗Ra=4Ωが分かっている。この回路で得られた負荷抵抗R[Ω]の消費電力の測定値𝑉₁𝐼₁[W]に対して,R[Ω]の消費電力を真値とするとき,誤差率の値[%]として最も近いものを次の(1)~(5)のうちから一つ選べ。
- 0.3
- 0.8
- 0.9
- 1.0
- 1.2
- 解答
問17
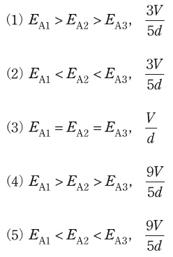
図のように,極板間の厚さ𝑑[m],表面積S[m²]の平行板コンデンサAとBがある。コンデンサAの内部は,比誘電率と厚さが異なる3種類の誘電体で構成され,極板と各誘電体の水平方向の断面積は同一である。コンデンサBの内部は,比誘電率と水平方向の断面積が異なる3種類の誘電体で構成されている。コンデンサAの各誘電体内部の電界の強さをそれぞれ𝐸ᴀ₁,𝐸ᴀ₂,𝐸ᴀ₃,コンデンサBの各誘電体内部の電界の強さをそれぞれ𝐸ʙ₁,𝐸ʙ₂,𝐸ʙ₃とし,端効果,初期電荷及び漏れ電流は無視できるものとする。また,真空の誘電率を𝜀₀[F/m]とする。両コンデンサの上側の極板に電圧𝑉[V]の直流電源を接続し,下側の極板を接地した。次の(a)及び(b)の問に答えよ。
(a) コンデンサAにおける各誘電体内部の電界の強さの大小関係とその中の最大値の組合せとして,正しいものを次の(1)~(5)のうちから一つ選べ。
- 解答
(b) コンデンサA全体の蓄積エネルギーは,コンデンサB全体の蓄積エネルギーの何倍か,正しいものを次の(1)~(5)のうちから一つ選べ。
- 0.72
- 0.83
- 1.00
- 1.20
- 1.38
- 解答
問18
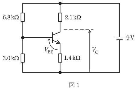
発振回路について,次の(a)及び(b)の問に答えよ。
(a) 図1は,ある発振回路のコンデンサを開放し,同時にコイルを短絡した,直流分を求めるための回路図である。図中の電圧𝑉ᴄ[V]として,最も近いものを次の(1)~(5)のうちから一つ選べ。
ただし,図中の𝑉ʙᴇ並びにエミッタ接地トランジスタの直流電流増幅率hꜰᴇをそれぞれ𝑉ʙᴇ=0.6[V],hꜰᴇ=100とする。
- 3
- 4
- 5
- 6
- 7
- 解答
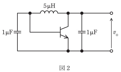
(b) 図2は,ある発振回路のトランジスタに接続されている,電極間のリアクタンスを示している。ただし,バイアス回路は省略している。この回路が発振するとき,発振周波数f₀[kHz]はどの程度の大きさになるか,最も近いものを次の(1)~(5)のうちから一つ選べ。
ただし,発振周波数は,図に示されている素子の値のみにより定まるとしてよい。
- 0.1
- 1
- 10
- 100
- 1000
- 解答
正誤表
| 1 | 2 | 3 | 4 | 5 | 6 | 7 |
|---|---|---|---|---|---|---|
| - | - | - | - | - | - | - |
| 8 | 9 | 10 | 11 | 12 | 13 | 14 |
|---|---|---|---|---|---|---|
| - | - | - | - | - | - | - |
| 15-a | 15-b | 16-a | 16-b |
|---|---|---|---|
| - | - | - | - |
| 17-a | 17-b | 18-a | 18-b |
|---|---|---|---|
| - | - | - | - |
合計得点